Luxembourg - Drapeau Luxembourg

Incoterms :DDP
Tous les prix incluent les taxes et les droits de douane pour les modes d'expédition sélectionnés.

Confirmez votre choix de devise:

Euros
Livraison gratuite pour la plupart des commandes supérieures à 50 € (EUR)

Dollars US
Livraison gratuite pour la plupart des commandes supérieures à $60 (USD)

Bench Talk pour les ingénieurs concepteurs

Mouser Blog | France

rss

Le blog officiel de Mouser Electronics


Notions essentielles de la conversion CC-CC Ann-Marie Bayliss

La conversion CC-CC est un élément essentiel de toute conception de systèmes électroniques modernes. C’est pourquoi les ingénieurs doivent connaître tous les paramètres qui en définissent le rendement, le fonctionnement sûr, la rentabilité, etc. Un rapport publié par Fortune Business Insights prévoit que le marché mondial des convertisseurs CC-CC devrait passer de 9,7 milliards de dollars en 2021 à environ 19,2 milliards de dollars en 2028, avec un taux de croissance annuel moyen (CAGR) de 10,2 % sur cette même période. Les principaux moteurs de cette croissance attendue sont les secteurs de l’automobile, des énergies renouvelables et de l’électronique grand public.

Principales topologies

Il existent diverses typologies pour l’implémentation de convertisseurs CC-CC. Le choix de la topologie dépend de plusieurs facteurs. Les convertisseurs linéaires d'origine (où un courant d’entrée CC variable est converti en courant de sortie CC constant par une chute de tension résistive) affichaient une portée très limitée, présentaient des pertes de puissance considérables et dégageaient de la chaleur qui devait être dissipée. C’est alors que sont apparues des solutions à mode de commutation (couramment appelées alimentations à découpage). Celles-ci offrent un meilleur rendement et permettent de réduire la taille globale du système. Dans un convertisseur à découpage, la tension est régulée par commutation d’un transistor et le niveau de sortie dépend du cycle de service du mécanisme de commutation.

Même si les convertisseurs à découpage sont aujourd’hui les plus répandus, leurs homologues linéaires trouvent encore une utilité dans certaines applications. Les convertisseurs linéaires sont parfois même préférables lorsque l’intégrité du signal est essentielle, par exemple dans les instruments de test ou le matériel de communication.

 

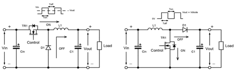
Figure 1: Schémas illustrant les topologies de base et les formes d’onde des convertisseurs buck et boost (Source : Murata)

Les deux premiers types de convertisseurs CC-CC à commutation décrits sont les convertisseurs buck (step-down) et les convertisseurs boost (step-up). Les convertisseurs buck fournissent un courant de sortie CC inférieur au courant d’entrée CC. Ils peuvent servir à alimenter différents rails de tensions de sorte que les composants électroniques sensibles ne soient pas exposés à des tensions qui pourraient autrement les endommager. Le mécanisme de commutation d’un convertisseur buck est activé et désactivé à haute fréquence. L’énergie est ainsi stockée dans une inductance, ce qui permet un lissage de la forme d’onde de sortie.

À haute puissance, les convertisseurs buck multiphasés peuvent être utilisés pour répartir les contraintes des composants sur plusieurs commutateurs et inductances. Pour davantage d’efficacité, on préférera un convertisseur buck à redressement synchrone qui utilise un MOSFET à faible résistance à l’état passant plutôt qu’une diode Schottky.

Le module série 78SR de Murata est un convertisseur buck non isolé affichant un rendement de 83 %. Il dispose d’une plage d’entrée de 7,5 V à 36 V et prend en charge une sortie de 3,3 V à 0,5 A.

 

Figure 2: L’un des convertisseurs buck de la série 78SR de Murata, disponible chez Mouser

À l’inverse des convertisseurs buck, les convertisseurs boost permettent d’obtenir une tension de sortie supérieure à la tension d’entrée. Cela peut s’avérer utile pour piloter des moteurs électriques et autres. S’ils peuvent couramment augmenter la tension de sortie à 4 ou 5 fois la tension d’entrée, il est toutefois recommandé de ne pas aller au-delà.

Assurer l’isolement

Bien que de simples convertisseurs buck-boost conviennent à de nombreuses applications, ils ne fournissent pas d’isolation galvanique, car leurs mises à la terre d’entrée et de sortie sont connectées. Lorsque l’isolement est nécessaire, par exemple pour des équipements médicaux, ce lien doit être rompu. En pareil cas, il faut alors recourir à des convertisseurs à topologie forward ou à topologie flyback. Un convertisseur flyback possède deux inductances couplées avec des spires d’enroulement au primaire et au secondaire du circuit isolées les unes des autres. L’énergie est stockée dans l’entrefer de l’inductance pendant la commutation. Les convertisseurs forward fonctionnent de façon similaire, excepté que le primaire et le secondaire sont alors isolés par un véritable transformateur. L’énergie est directement transférée à travers la bobine au lieu d’être stockée dans une inductance. Ce système offre un meilleur rendement, mais il comporte aussi quelques inconvénients. Il est notamment plus onéreux et moins flexible.

 

Figure 3: Topologies respectives des convertisseurs CC-CC flyback et forward

Destinés aux applications médicales, les modules convertisseurs à montage en surface et profil bas NXJ1 de Murata ont une puissance de 1 W et sont dotés d’un transformateur intégré au substrat. Ils ont été testés pour assurer l’isolation jusqu’à des tensions de 4,2 kV CC.

 

Figure 4: Le convertisseur CC-CC isolé NXJ1 de Murata

Éliminer les éléments magnétiques

Les convertisseurs non isolés ne requièrent pas d’inductance ou de transformateur. Des agencements de condensateurs commutés peuvent être utilisés à leur place. Si les chutes des commutateurs et des diodes affectaient autrefois le rendement, il est aujourd’hui possible d’atteindre des valeurs élevées grâce à une rectification synchrone et l’usage de MOSFET plus modernes. Grâce à son architecture exclusive à condensateurs commutés, la technologie Psemi de Murata est capable de fournir un rendement supérieur à 96 %. Il est hautement optimisé pour un usage dans des infrastructures de télécommunications à espace limité.



« Retour


Ann-Marie Bayliss

 

Responsable marketing produits, Murata Power Solutions

Ann-Marie a rejoint Murata Power Solutions en 1997. Elle est titulaire d’un Bachelor en génie (Honours degree) en électronique de l’Université du Lancashire central. Son travail concerne de manière générale tous les aspects de la gestion technique et commerciale des produits. Ann-Marie travaille dans le secteur de l'énergie depuis plus de 25 ans.


Tous les auteurs

Voir plus Voir plus
Afficher les articles par date