MACOM Carte d'évaluation CGHV31500F1-AMP
La carte d'évaluation CGHV31500F1-AMP de Wolfspeed facilite l'évaluation de l'HEMT GaN 500 W, 2,7 GHz – 3,1 GHz CGHV31500F1. L'HEMT CGHV31500F1 fournit une capacité d'impulsion étendue pour répondre aux tendances de développement des architectures radar. Le CGHV31500F1 est spécialement conçu pour la bande radar en bande S de 2,7 GHz à 3,1 GHz.La carte d'évaluation CGHV31500F1-AMP de Wolfspeed est livrée avec l'HEMT CGHV31500F1 installé.
Caractéristiques
- Psat 500 W
- >65% DE
- LSG 13 dB
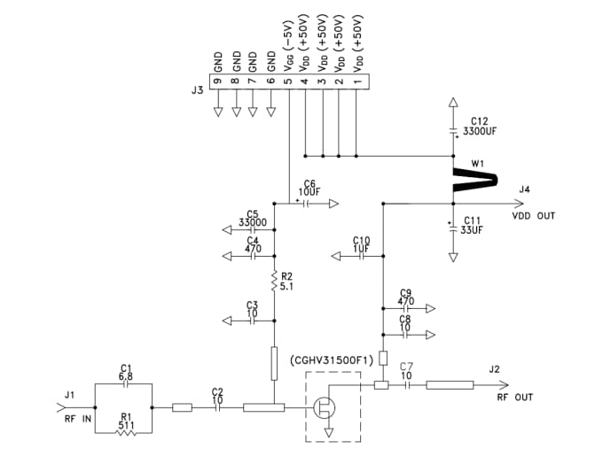
Schéma de principe
Publié le: 2021-11-15
| Mis à jour le: 2024-01-18
