Toshiba CI de pilote de grille TB9103FTG
Le CI de pilote de grille TB9103FTG de Toshiba est un pilote de grille à pont en H monocanal et un pilote de grille demi-pont bi-canal pour les applications automobiles. Ce pilote de grille Toshiba intègre un circuit de pompe de charge et utilise un MOSFET externe de type N. La fonctionnalité est rationalisée pour se concentrer sur l'allumage et l'extinction du moteur, ce qui la rend compacte. Le TB9103FTG convient aux applications d'entraînement de moteur à verrouillage, y compris les portes coulissantes et les portes arrières. Le CI est également idéal pour les applications d'entraînement de moteur pour les fenêtres, les rétroviseurs et les sièges.Caractéristiques
- Équipées de modes de contrôle à pont demi-pont et à pont en H
- Peut être utilisé comme un demi-pont à deux canaux indépendant, avec un contrôle du temps mort (surveillance de VGS) et un contrôle d'arrêt pour chaque canal
- Peut être utilisé comme un pont en H en combinant les demi-ponts, avec un contrôle du temps mort et un contrôle d'arrêt en tant que pont en H
- Mode veille à faible puissance
- Intègre plusieurs fonctions de détections de défauts
- Détection de sous-tension VB, détection de sous-tension VCC, détection de surtension VCP
- Détection de la tension grille- source, arrêt en cas de défaut de tension de grille
- Détection de la tension entre le drain et la source (permet de définir les niveaux de détection), arrêt en cas de surintensité
- Détection de surchauffe, arrêt
- Notification de la broche de sortie à drain ouvert lorsqu'un défaut est détecté
- Plage de tension d'exploitation
- 7 V à 18 V (VB)
- 4,5 V à 5,5 V (VCC)
- Tension d'entrée de 40 V
- Circuit de pompe de charge double boost intégré capable de piloter des FET de grille à niveau logique
- Homologué AEC-Q100 classe 1
- Boîtier VQFN24 de 4 mm2
Applications
- Backdoors d'alimentation
- Portes coulissantes électriques
- fenêtres de puissance
- Siège à réglage électrique
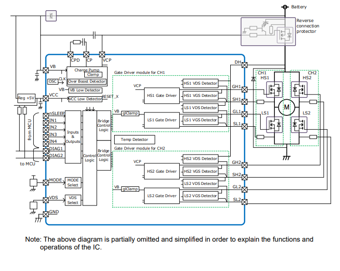
Schéma fonctionnel simplifié
Circuit de contrôle de moteur à CC
Vidéos
Publié le: 2025-03-18
| Mis à jour le: 2025-09-16
