Kit de commande moteur DK-LM3S-DRV8312 Texas Instruments pour MCU Stellaris®
Kit de commande moteur DK-LM3S-DRV8312 Texas Instruments pour MCU Stellaris®

Afficher la liste des produits

Ressources supplémentaires

Kit de commande moteur DK-LM3S-DRV8312 Texas Instruments TI
pour microcontrôleurs Stellaris®

Le kit de commande moteur DK-LM3S-DRV8312 Texas Instruments pour microcontrôleurs Stellaris® est une plate-forme de développement conçue pour faire tourner les moteurs CA et CC Brushless triphasés. Le kit de commande moteur DK-LM3S-DRV8312 TI contient un module économique controlCARD basé sur le MCU LM3S818 Stellaris et compatible avec les autres plates-formes de commande moteur de TI. En plus de faire tourner instantanément un moteur, le kit de commande moteur DK-LM3S-DRV8312 TI démontre aussi les avantages opérationnels de la solution de commande moteur InstaSPN BLDC avec un réglage simplifié, une adaptation d'accélération immédiate, un fonctionnement fiable à bas débit et bien plus encore. La solution Crosshairs incluse permet aux utilisateurs de contrôler et de surveiller la solution complète à travers une application PC facile à utiliser qui peut être étendue pour les applications en bout.


Contenu du kit
  • Module controlCARD MDL-LM3S818CNCD
    • Microcontrôleur 50 MHz ARM® Cortex®-M3 LM3S818 Stellaris avec une interface de débogage en circuit Stellaris intégrée (ICDI)
    • Format DIMM à 100 broches enfichable
    • Activation d'auto-isolation lors de la connexion de débogage
  • Carte de base DRV8312 (carte d'entraînement moteur triphasé TI intégrée supportant jusqu'à 52,5 V et 6,5 A)
  • Moteur 55 W BLDC/PMSM NEMA17
  • Adaptateur d'alimentation CC 24 V 2,5 A, entrée CA 110-240 V, câble d'alimentation USA
  • Câble de branchement USB-miniB vers USB-A (for débogage et communication série)
  • CD kit :
    • Documentation complète
    • Utilitaire de programmation LM Flash pour les mises à jour du microprogramme
    • Interface graphique Crosshairs
    • Code source applicable
    • Schéma
  • Environnement de développement intégré (IDE) Code Composer Studio™ TI

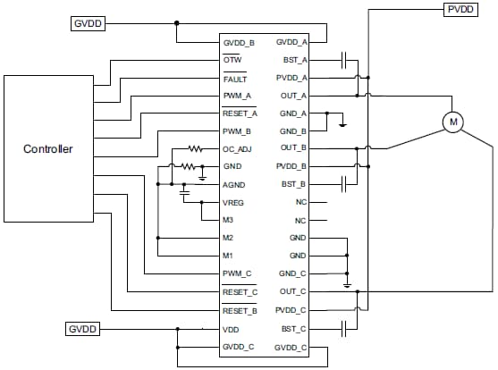
Schéma d'application DRV8312

Schéma d'application DRV8312

Schéma fonctionnel LM3S818

Schéma fonctionnel LM3S818
  • Texas Instruments
  • Industrial
  • Development Tools
Publié le: 2017-05-26 | Mis à jour le: 2017-05-26