Texas Instruments Module d'évaluation ULN2003ADYYEVM
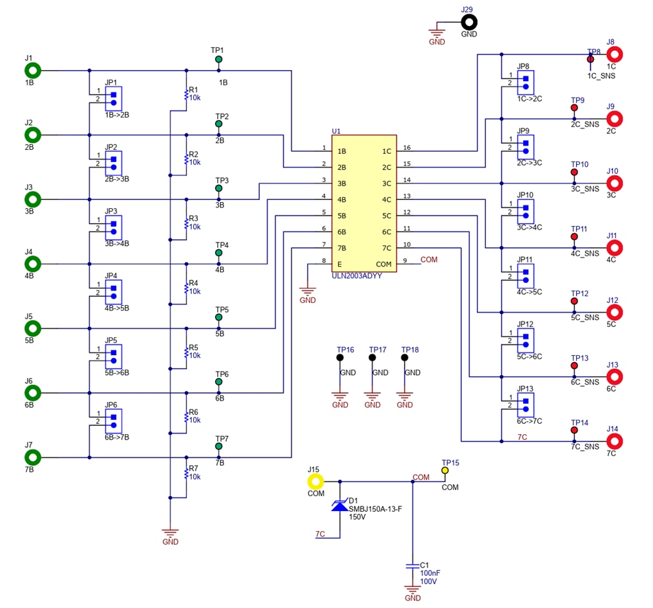
Le module d'évaluation ULN2003ADYYEVM de Texas Instruments permet aux utilisateurs d'évaluer l'ensemble des performances et des fonctionnalités de l'ULN2003ADYY dans le boîtier DYY SOT-23-THIN. Les réseaux de transistor Darlington haute tension et courant élevé ULN200xA/ULQ200xA comprennent sept paires Darlington NPN qui disposent de sorties haute tension avec diodes de limitation à cathode commune pour la commutation de charges inductives.Le ULN2003ADYYEVM de TI est conçu pour être utilisé comme une carte autonome avec une alimentation en tension et une charge de sortie connectées. Cette carte autonome peut tester et évaluer l'ULN2003ADYY avant de le concevoir dans le cadre du système d'alimentation d'une application plus importante. L'ULN2003ADYYEVM est équipé du SOT ULN2003ADYY (version DYY).
Caractéristiques
- Des résistances de rappel à la masse sont présentes à chaque entrée de contrôle pour s'assurer que les signaux INx ne flottent pas
- Connecteurs pour canaux parallèles pour une capacité de courant supérieure
- Une diode supplémentaire est connectée d'OUT7 à COM pour supprimer la tension de recul d'une charge inductive qui est excitée lorsque les pilotes NPN sont désactivés sur OUT7
Applications
- Pilotes de relais
- Pilotes de moteurs pas à pas et moteurs à CC à balais
- Pilotes de lampes
- Pilotes d'affichage (LED et décharge gazeuse)
- Pilotes de ligne
- Tampons logiques
Schéma
Publié le: 2025-02-22
| Mis à jour le: 2025-03-06
