Texas Instruments Pilote MOSFET côté bas UCD7100-TI
Le pilote MOSFET côté bas UCD7100 de Texas Instruments est un pilote compatible avec la commande numérique pour les applications qui utilisent une technologie de commande numérique qui nécessite une protection rapide de limite de courant de crête locale. L'UCD7100 est un pilote de grille MOSFET à courant fort côté bas ±4 A. Il permet aux contrôleurs de puissance numériques tels que l'UCD9110 ou l'UCD9501 de s'interfacer avec l'étage de puissance dans les topologies asymétriques. L'UCD7100 de Texas Instruments fournit une fonction de limitation de courant cycle par cycle avec un seuil programmable et un indicateur de limite de courant de sortie numérique que le contrôleur hôte peut surveiller. Avec une protection rapide de limite de courant de 25 ns cycle par cycle, le pilote peut éteindre l'étage de puissance dans le cas peu probable où le système numérique ne répondrait pas à une situation de défaillance dans les délais.Caractéristiques
- Protection de limite de courant réglable
- Régulateur interne 3,3 V, 10 mA
- Entrées compatibles DSP/µC
- Pilote de courant fort TrueDrive™ simple ±4 A
- Temps de montée et de descente standard de 10 ns avec des charges de 2,2 nF
- Délai de propagation entrée-sortie de 25 ns
- Délai de détection du courant de 25 ns à la sortie
- Seuil de limitation de courant programmable
- Indicateur de limite de courant de sortie numérique
- Plage de tension d'alimentation de 4,5 V à 15 V
- Classé de –40 °C à 105 °C
- Emballage sans plomb (Pb)
Applications
- Alimentations à commande numérique
- Convertisseurs CC-CC
- Contrôleurs de moteurs
- Pilotes de lignes
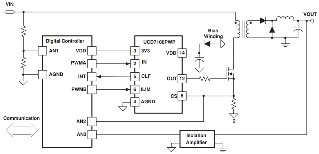
Schéma simplifié
Publié le: 2022-02-01
| Mis à jour le: 2022-03-11
