Texas Instruments Réadaptateur linéaire adaptatif TUSB1142

Le TUSB1142 de Texas Instruments est un réadaptateur linéaire adaptatif USB 3.2 10 Gbit/s avec démultiplexeur 1:2 ou nux 2:1 pour les applications USB-C™. Le TUSB1142 est conçu pour résider entre un hôte et un connecteur femelle USB-C ou entre un dispositif USB et un connecteur femelle USB-C. Le TUSB11142 prend en charge à la fois l'USB 3.2 Gen2 (10 Gbit/s) et Gen1 (5 bit/s) ainsi que les états à faible puissance USB 3.2 (déconnexion, U1, U2 et U3).

Le TUSB1142 de Texas Instruments intègre une fonction innovante d'égalisation adaptative du récepteur (AEQ). La fonction AEQ déterminera automatiquement ce qu'elle estime être les meilleurs paramètres de compensation ISI entre le TUSB1142 et le dispositif USB branché au connecteur USB, ce qui améliorera l'interopérabilité. Le TUSB1142 fonctionne à partir d'une seule alimentation 3,3 V et est disponible en boîtier WQFN à 40 broches.

Caractéristiques

  • Multiplexeur réadaptateur 2:1 USB Type-C
  • Prise en charge USB 3.2 5 Gbit/s et 10 Gbit/s
  • Gestion avancée de l'alimentation USB
    • Actif : 550 mW (standard)
    • Déconnexion : 1,5 mW
    • Désactivé (EN = L) : 0,130 mW
  • 16 paramètres EQ jusqu'à 12 dB à 5 GHz
  • Un choix entre l'égalisation adaptative ou fixe du récepteur pour les ports orientés vers le connecteur USB
  • Le choix entre un réadaptateur linéaire ou limité pour les ports face au système (émetteur SSRX)
  • Moins de 1 V VTX-CM et VRX-CM
  • Configuration via I2C ou barrette de broches
  • Sélection entre des niveaux I2C de 1,8 V ou 3,3 V
  • Fonctionne à partir d'une seule alimentation de 3,3 V

Applications

  • Ordinateurs de bureau et notebooks
  • Stations d'accueil
  • Stockage de données
  • Imprimantes et périphériques connectés

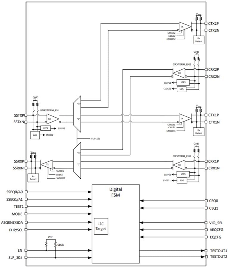
Diagramme fonctionnel

Schéma de principe - Texas Instruments Réadaptateur linéaire adaptatif TUSB1142
Publié le: 2022-05-20 | Mis à jour le: 2022-06-15