Texas Instruments Module d'évaluation TRF-LSC-AFE7950EVM
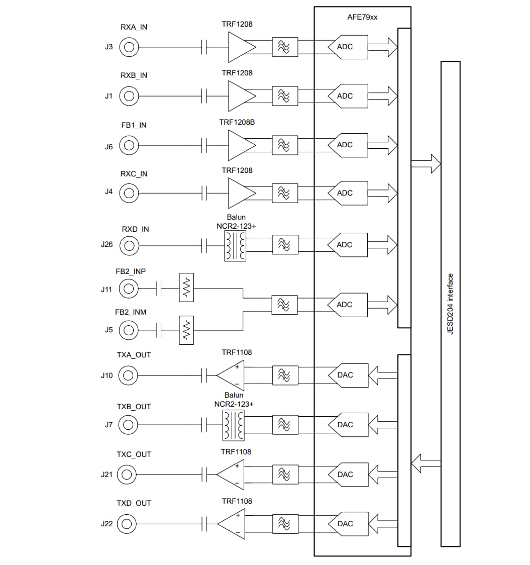
Le module d'évaluation TRF-LSC-AFE7950EVM de Texas Instruments fournit les exigences et les options d'interface pour évaluer la famille AFE79xx d'émetteurs-récepteurs d'échantillonnage RF intégrés, qui comprend l'amplificateur asymétrique-différentiel TRF1208 sur RX et l'amplificateur différentiel-asymétrique TRF1108 sur TX. L'AFE79xx prend en charge jusqu'à quatre canaux d'émission, quatre canaux de réception et deux canaux de rétroaction (4T4R2F), et intègre une boucle de verrouillage de phase (BVP) et un oscillateur commandé en tension (VCO) pour générer des horloges de convertisseur de données.Le module d’évaluation TRF-LSC-AFE7950EVM TI intègre le générateur d’horloge LMK04828 pour alimenter des horloges de référence et le SYSREF au frontal analogique (AFE) et à la carte de capture (réseau de portes programmables , FPGA). Le module d'évaluation (EVM) utilise une seule entrée de 5,5 V et contient une circuiterie complète de gestion de l'alimentation. Les choix d'horloge externe incluent la prise en charge de l'alimentation de l'horloge de référence (pour le BVP intégré).
Caractéristiques
- Fonctionne avec une alimentation unique de 5,5 V
- Inclut la génération d'horloge embarquée
- Frontal RF avec amplificateurs S2D et D2S >8 GHz
Applications
- Pilote directement l'échantillonnage RF ou les CAN Gsps
- Adapté aux applications aérospatiales et de défense avec prise en charge jusqu'à la bande X
- Linéarité élevée pour prendre en charge les systèmes 5G de nouvelle génération
- Faible facteur de bruit pour une meilleure intégrité de signal
- Taille réduite du système avec une petite empreinte et élimination du symétriseur RF passif
- Radar à balayage électronique
- Mode de mise hors tension à faible puissance avec contrôle PD numérique pour une conception de système optimisée
- Radios militaires
- Numériseur haute vitesse
- BTS sans fil 4G/5G
- Balun actif RF
- Test et mesure
Contenu du kit
- TRF-LSC-AFE7950EVM
- Câble USB Type Mini-B
- Câble d'alimentation
Topologie
Schéma fonctionnel
Publié le: 2025-09-14
| Mis à jour le: 2025-09-21
