Texas Instruments Modules d'alimentation CC/CC TPSM8287A1xM
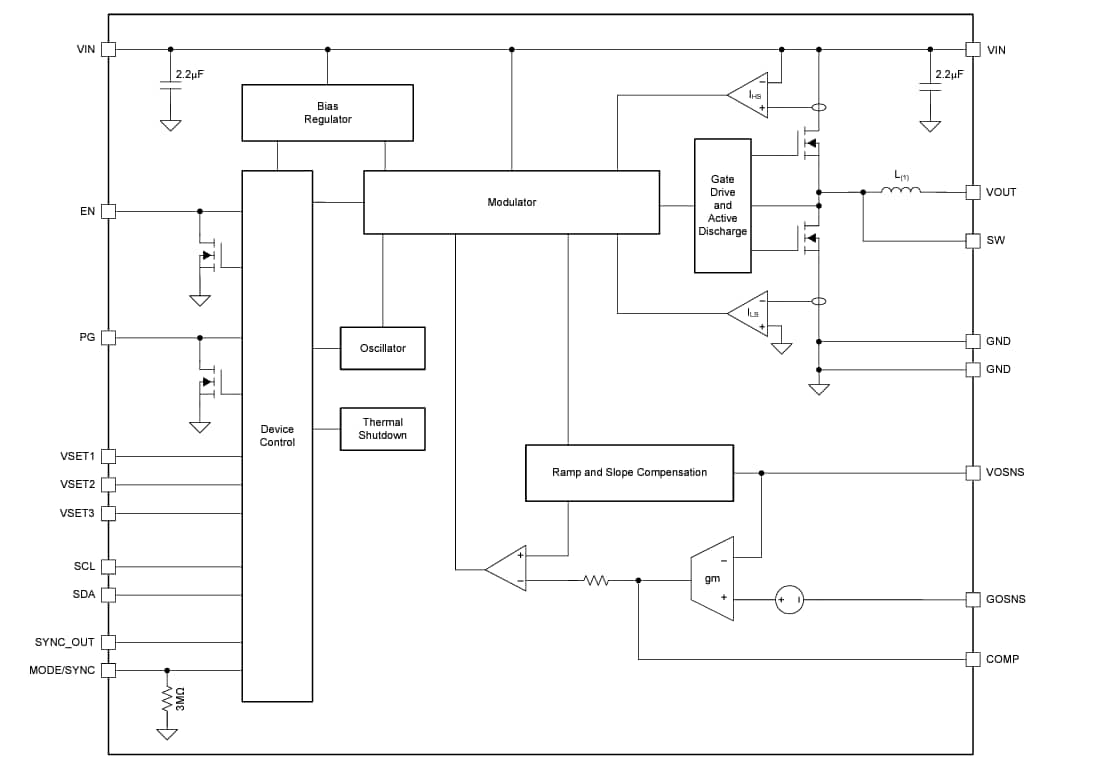
Les modules d'alimentation CC/CC TPSM8287A1xM de Texas Instruments combinent la télédétection différentielle et une interface I2C. Les modules d'alimentation CC/CC broche à broche TPSM8287A1xM intègrent un convertisseur Buck synchrone, une inductance et des condensateurs d'entrée pour simplifier la conception, réduire les composants externes et conserver la zone PCB. Le format compact et discret est développé pour l'assemblage par l'équipement standard monté en surface.Le TPSM8287A1xM TI facilite un schéma de contrôle amélioré qui prend en charge les transitoires rapides. Les dispositifs fonctionnent en mode fréquence fixe ou en mode économie d'énergie. La caractéristique de télédétection optimise la régulation de tension au point de charge, et le dispositif atteint une précision de tension CC de ±1,0 % sur toute la plage de température. Les dispositifs peuvent fonctionner en modes empilés et parallèles pour produire des courants de sortie plus élevés ou pour répartir la dissipation d'énergie sur plusieurs dispositifs. L'interface compatible I2C offre plusieurs fonctionnalités de contrôle, de surveillance et d'alerte. La tension de démarrage est sélectionnable via les broches VSETx pour permettre une mise sous tension sans communication I2C active.
Caractéristiques
- Plage de température de fonctionnement de -55 °C à +125 °C
- Télédétection différentielle
- Cinq adresses I2C sélectionnables via les broches VSETx
- Compensation externe réglable pour une large plage de condensateurs de sortie et une réponse transitoire optimisée
- Conçu pour répondre aux exigences de faible EMI
- Boîtier sans fil de liaison
- Condensateurs d'entrée internes
- Disposition simplifiée grâce à un chemin d'entrée parallèle
- Synchronisation optionnelle avec une horloge externe ou exploitation en spectre étalé
- Précision de la tension de sortie de ±1,0 %
- Parallélisable pour une exploitation multiphase
- La tension de sortie de démarrage est sélectionnable par incréments de 50 mV, de 0,40 V à 3,35 V, via les broches VSETx et I2C, réglable par incréments de 1,25 mV
- Mode d'économie d'énergie ou exploitation en mode PWM forcé
- Seuil d'activation précis de l'entrée
- Sortie de bonne alimentation avec comparateur à fenêtre
- Décharge de sortie active
- Excellentes performances thermiques
- Boîtier QFN de 4,5 mm x 6,8 mm avec un pas de 0,5 mm
- Taille de conception 77 mm2
Applications
- Énergie électrique pour les avions
- Radio de défense
- Frontal du demandeur
- Équipement radar
- Transport ferroviaire
Schéma simplifié
Schéma fonctionnel
