Texas Instruments Pilote de LED infrarouge TPS92642-Q1
Le pilote de LED infrarouge TPS92642-Q1 de Texas Instruments est un pilote de LED de bus monolithique et synchrone fonctionnant sur une plage de tensions d'entrée de 5,5 V à 36 V. Le contrôle adaptatif du temps de fonctionnement avec une fréquence de commutation quasi constante peut être réglé entre 100 kHz et 2,2 MHz pour cet appareil. Le pilote de LED haute performance TPS92642-Q1 peut moduler indépendamment le courant des LED à l'aide de techniques de gradation analogiques ou MLI. Ce pilote intègre un circuit interne de surveillance des impulsions qui limite le cycle de service maximum des impulsions. Cet appareil TPS92642-Q1 est qualifié AEC-Q100 pour les applications automobiles. Le pilote de LED TPS92642-Q1 est utilisé dans les applications de systèmes de surveillance de pilote (DMS), de LED IR et de pilote laser.Le pilote de LED infrarouge TPS92642-Q1 avec diagnostic avancé et protection contre les pannes comprend une limite de courant de commutateur cycle par cycle, une sous-tension d'amorçage, une LED ouverte, un court-circuit de LED et un arrêt thermique. Ce pilote fonctionne avec une tolérance de 40 V, prenant en charge le vidage de charge pendant une durée de 400 ms. Le pilote TPS92642-Q1 convient à la mise en œuvre d'une topologie de pilote LED abaisseur.
Caractéristiques
- HomologuéS AEC-Q100 pour les applications automobiles :
- Température ambiante de fonctionnement de -40 °C à +125 °C, grade 1
- Niveau de classification de composant HBM H1C
- Niveau de classification CDM de l'appareil C5
- Compatible avec la sécurité fonctionnelle
- Documentation disponible pour aider à la conception de systèmes de sécurité fonctionnels
- Plage de tension d'entrée de 5,5 V à 36 V :
- Fonctionnement jusqu'à 5,15 V après le démarrage
- Courant de sortie pulsé jusqu'à 5 A avec une précision de 4 %
- Contrôle adaptatif du courant moyen dans le temps
- Amplificateur de détection de courant côté haut à faible décalage
- Plage de fréquence de commutation programmablede 100 kHz à 2,2 MHz
- Opération de gradation avancée :
- Gradation MLI de précision 1 000:1
- Gradation analogique de précision 15:1
- Limite de cycle de service maximale interne
- Protection contre les surintensités par interrupteur cycle par cycle
- Sortie indicateur de défaillance à drain ouvert
- Indication de défaillance de court-circuit LED, circuit ouvert et faisceau de câbles
- Protection contre les coupures thermiques
Applications
- Systèmes de surveillance des conducteurs (DMS)
- LED IR et pilote laser
Schéma d'application standard du pilote de LED Buck
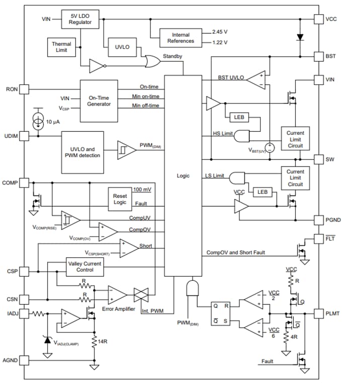
Schéma fonctionnel
Publié le: 2024-01-05
| Mis à jour le: 2024-01-24
