Texas Instruments Pilote LED Buck synchrone à 3 canaux TPS92530-Q1
Le pilote LED Buck synchrone à 3 canaux TPS92530-Q1 de Texas Instruments a une large plage de tension de fonctionnement de 4,5 V à 65 V permettant d'alimenter indépendamment 3 chaînes de LED connectées en série. Le TPS92530-Q1 met en œuvre un contrôle adaptatif en temps réel du mode courant moyen, conçu pour générer une tension constante ou une sortie de courant constante. Le contrôle adaptatif en temps réel permet d'obtenir une fréquence de commutation quasi-constante, qui peut être réglée entre 100 kHz et 1,2 MHz. Le dispositif est compatible avec les techniques de gradation de FET shunt et les projecteurs à faisceau dynamique basés sur un gestionnaire de matrice LED en mode à courant constant. En mode à tension constante, le contrôle adaptatif en temps réel permet un fonctionnement à large bande passante avec une réponse transitoire rapide. La détection du courant d'inductance et la rétroaction en boucle fermée permettent d'obtenir une précision supérieure à ±4 % sur une large plage de tension d'entrée, de tension de sortie et de température ambiante.En mode courant constant, le pilote de LED à hautes performances peut moduler indépendamment le courant de la LED à l'aide de techniques de gradation analogique ou PWM. La réponse de gradation analogique linéaire avec une plage supérieure à 16:1 est obtenue en programmant la valeur de référence de 10 bits (CHxREF) via une interface SPI. La graduation MLI du courant LED est obtenue en modulant directement la broche d'entrée UDIM correspondante avec le rapport cyclique souhaité ou en activant le circuit générateur MLI interne. Le générateur MLI traduit la valeur de registre MLI 10 bits en rapport cyclique correspondant en la comparant à un compteur numérique programmable.
Le TPS92530-Q1 de Texas Instruments intègre un diagnostic programmable SPI avancé et une protection contre les défauts avec : une limite du courant de commutateur cycle par cycle, une sous-tension d'amorçage, une LED ouverte, un court-circuit LED, un avertissement thermique et une coupure thermique. Un CAN 10 bits embarqué échantillonne les paramètres d'entrée critiques nécessaires à la surveillance et au diagnostic de l'état du système.
Caractéristiques
- Homologué AEC-Q100 pour les applications automobiles
- Classe 1 (température de fonctionnement ambiante de -40 °C à 125 °C)
- Niveau de classification de composant HBM H1C
- Niveau de classification C5 CDM des dispositifs
- Possibilité de mettre en œuvre une sécurité fonctionnelle
- Documentation disponible pour aider à la conception de systèmes de sécurité fonctionnels
- Large plage de tension d'entrée de 4,5 V à 65 V
- Fonctionnement à tension constante et à courant constant configurable
- Courant de sortie continu jusqu'à 2 A
- Précision de la régulation (mode tension et courant) de 4 %
- Contrôle adaptatif du courant moyen dans le temps
- Fréquence de commutation programmable de 100 kHz à 1,2 MHz
- Fonctionnement de gradation avancé
- Graduation analogique de précision 10 bits
- Graduation MLI interne de précision 10 bits
- Prend en charge l'entrée de gradation PWM externe
- Optimisé pour la gradation de shunt externe, y compris le gestionnaire de matrice LED
- Protection contre les surintensités du commutateur cycle par cycle
- Protection thermique de commutateur
- Interface périphérique série (SPI)
- Référence analogique configurable, fréquence de commutation et rapport cyclique de graduation MLI
- Surveillance et signalement des défaillances
- Fonctionnement en mode limp-home (LH) et en mode autonome
Applications
- Phares automobiles et module de pilotage LED adaptatif
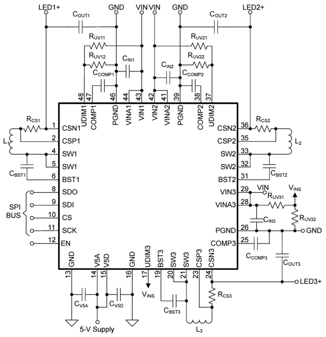
Schéma simplifié
