Le dispositif a un courant de repos de 1 mA qui tombe à moins de 1 µA en mode arrêt. Le courant de repos est bien contrôlé dans le TPS73801 car il ne monte pas en cas de perte de niveau comme de nombreux autres régulateurs. En plus d'une réponse transitoire rapide, les régulateurs TPS73801 de TI offrent un bruit de sortie très faible, idéal pour les applications d'alimentation RF sensibles.
Les régulateurs TPS73801 de TI sont stables avec des condensateurs de sortie aussi bas que 10 µF et une plage de tensions de sortie de 1,21 V à 20 V. Contrairement à la plupart des régulateurs, de petits condensateurs céramiques peuvent être utilisés sans l'ajout nécessaire d'ESR.
La circuiterie de protection interne comprend une protection contre les batteries inversées, une limitation de courant, une limitation thermique et une protection contre les courants inverses. Le TPS73801 est fourni sous forme de dispositif réglable avec une tension de référence de 1,21 V. Les régulateurs TPS73801 sont conçus dans des boîtiers TO-223 (DCQ) à 6 broches.
Caractéristiques
- Optimisés pour une réponse transitoire rapide
- Courant de sortie 1 0 A
- Tension de perte de niveau de 300 mV
- 45 µVRMS (10 Hz à 100 kHz) faible bruit
- Courant de repos de 1 mA
- Aucune diode de protection n'est nécessaire
- Courant de repos contrôlé en cas de perte de niveau
- Tension de sortie réglable de 1,21 V à 20 V
- Courant de repos inférieur à 1 µA en mode arrêt
- Stable avec un condensateur de sortie de 10 µF
- Stable avec des condensateurs céramiques
- Protection contre l'inversion de la batterie
- Aucun courant inverse
- Limitation thermique
Applications
- Alimentations électriques logiques de 3,3 V à 2,5 V
- Régulateur postérieur pour alimentations de commutation
- Équipement portable / alimenté par batterie
Vidéos
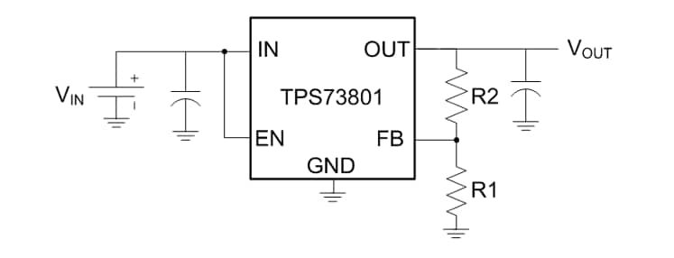
Schéma simplifié
Schéma fonctionnel

