Texas Instruments Convertisseur Buck synchrone TPS544x20
Les convertisseurs Buck synchrone TPS544x20 Texas Instruments sont des convertisseurs CC-CC à haute performance de 20 et 30 A avec deux MOSFET de puissance NexFET™ à canal N intégrés. Ces composants mettent en œuvre le contrôle en mode D-CAP et D-CAP2, propriété de TI, qui procure une transmission directe naturelle de la tension d'entrée et une réponse transitoire rapide avec un amplificateur d'erreur de précision et un amplificateur de détection différentielle à distance à faible décalage pour assurer une régulation précise de la tension de sortie avec une compensation externe minimale. Une capacité à pré-polarisation monotone élimine toute préoccupation relative à l'endommagement des charges sensibles. Une compatibilité PMBus intégrée assure une surveillance du courant, de la tension et de la température sur la carte, de même que des options de configuration programmables par l'utilisation, ou encore une évolutivité adaptative de la tension (AVS) et un test de la marge de tension en sortie.Caractéristiques
- PMBus-enabled converters: 20A, 30A
- 4.5V to 18V input, 0.6V to 5.5V Output
- 5mm × 7mm LQFN package with 0.5mm pitch
- Single thermal pad
- Integrated 4.5mΩ and 2.0mΩ stacked NexFET power stage
- 600mV, 0.5% reference
- Lossless, low-side MOSFET current sensing
- Selectable D-CAP and D-CAP2 mode control
- Differential remote sensing
- Monotonic start-up into pre-biased output
- Output voltage margin and trim
- Output voltage and output current reporting
- External temperature monitoring with 2N3904
- Thermal shutdown
- Pin compatible 20A, 30A converters
- Programmable via PMBus
- Overcurrent protection
- UVLO, soft-start
- PGOOD, OV, UV, OT levels
- Fault responses
- Turn-on and turn-off delays
Applications
- Test and instrumentation
- Ethernet switches, optical switches, routers, base stations
- Servers
- Enterprise storage SSD
- High-density power solutions
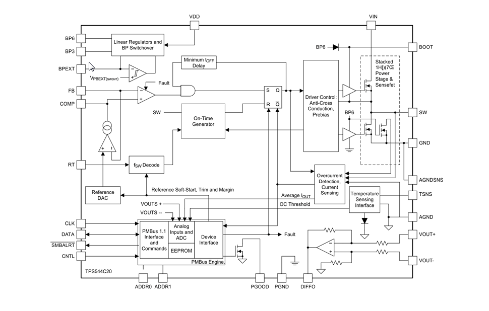
Block Diagram
Publié le: 2014-08-21
| Mis à jour le: 2022-03-11
