Texas Instruments Contrôleur PWM multiphasé abaisseur TPS536C7B1
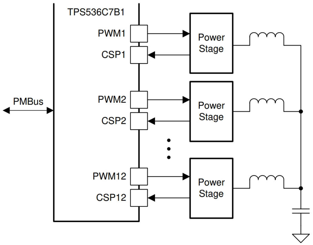
Le contrôleur PWM multiphasé abaisseur TPS536C7B1 de Texas Instruments est fourni avec des canaux doubles, une mémoire non volatile (NVM) intégrée et une interface PMBus et est entièrement compatible avec les étages d'alimentation intelligents NexFET™ de TI. Les caractéristiques de commande avancées, telles que l'architecture D-CAP+, fournissent une réponse transitoire rapide, une faible capacité de sortie et un bon partage du courant. Le dispositif fournit également une nouvelle stratégie d'entrelacement de phase et un ordre de déclenchement flexible. Le contrôle réglable de la vitesse de balayage de la tension de sortie et le positionnement adaptatif de la tension sont également pris en charge. Le dispositif prend en charge l'interface de communication PMBus pour signaler la télémétrie des conditions de tension, courant, puissance, température et défaillance au système hôte. Tous les paramètres programmables peuvent être configurés par l'interface PMBus et peuvent être stockés dans NVM en tant que nouvelles valeurs par défaut pour minimiser le nombre de composants externes. Le TPS536C7B1 de Texas Instruments est proposé en boîtier QFN à 48 broches endurci thermiquement et fonctionne de –40 °C à 125 °C.Caractéristiques
- Plage de tension d'entrée de 4,5 V à 18 V
- Plage de tension de sortie de 0,25 V à 5,5 V
- Plage de fréquence de commutation par phase de 300 kHz à 2 000 kHz
- Double sortie prenant en charge les configurations de phase N+M (N+M ≤ 12, M 6)
- Interface système v1.3.1 PMBus pour la configuration, le contrôle et la télémétrie de la tension, du courant, de la puissance, de la température et de l'état de défaillance
- Mise à l'échelle adaptative de la tension (AVS) via VOUT_COMMAND
- Contrôle D-CAP+ amélioré pour fournir une performance super transitoire avec un excellent partage dynamique du courant
- Compensation de boucle programmable
- Commande de déclenchement de phase flexible
- Sangle de broche externe pour Ch. Paramètres de la tension de démarrage
- Étalonnages et rapports de courant de phase individuels
- Gestion de l'équilibre thermique de phase (TBM)
- Prise en charge complète du délestage dynamique de phase (DPS)
- Ajout rapide de phase pour une réduction sous-jacente (USR)
- Freinage corps-diode pour une réduction de dépassement (OSR)
- Configuration sans pilote pour une commutation haute fréquence efficace
- Entièrement compatible avec l'étage d'alimentation NexFET™ de TI pour les solutions à haute densité
- Positionnement adaptatif de tension (AVP) précis et programmable
- Équilibrage de phase AutoBalance™ breveté
- Boîtier QFN 6 mm × 6 mm, 48 broches
Applications
- Commutateurs de réseau de centre de données
- Commutateurs de campus et de dérivation
- Routeurs principaux et de bord
- Cartes d'accélérateur matériel
- Alimentation CPU/ASIC/FPGA haute performance
Schéma simplifié
Publié le: 2021-01-26
| Mis à jour le: 2022-03-11
