Texas Instruments TPS23758 PoE Power Devices

Texas Instruments TPS23758 PoE Power Devices combine a Power over Ethernet (PoE) powered device (PD) interface, a 150V switching power FET, and a current-mode DC-DC controller optimized for flyback topology. The TPS23758 features a high level of integration along with primary-side regulation (PSR), spread spectrum frequency dithering (SSFD), and advanced startup. This feature makes the TPS23758 an ideal solution for size-constrained applications. The PoE implementation supports the IEEE 802.3at standard as a 13W, Type 1 PD.

The PSR feature of the DC-DC controller eliminates the need for an external shunt regulator and optocoupler, using feedback from an auxiliary winding to control the output voltage. Typically, the converter operates at a switching frequency of 250kHz and is optimized for operation in continuous conduction mode (CCM) with secondary-side synchronous rectification. This results in optimum overall efficiency, regulation accuracy, and step load response over multiple outputs.

The Texas Instruments TPS23758 offers an SFFD and slew rate control that helps minimize the EMI filter's size and cost. Advanced Startup allows the use of minimal bias capacitors while simplifying converter startup and hiccup design. Priority for a primary side power adapter is provided for the primary auxiliary power detect (APD) pin. The TPS23758 Devices support a buck topology for non-isolated applications.

Features

  • Integrated PWM controller with 0.77Ω (typ) 150V power MOSFET
    • Flyback controller with PSR
      • Supports CCM operation with secondary side synchronous FET - multi-outputs
      • ±1% (typ, 5V Output) Load regulation (0-100% load range) - with Sync FET
    • Supports low-side switch buck topology
    • Adjustable switching frequency with synchronization
    • Soft-start control with advanced startup
    • Programmable slew rate and frequency dithering for enhanced EMI reduction
  • Complete IEEE 802.3at PD solution for type 1 PoE
    • Ethernet Alliance (EA) logo-certified designs are available
    • Robust 100V, 0.36Ω (typ) hot-swap MOSFET
  • Primary adapter priority input
  • –40°C to 125°C junction temperature range
  • Small 6mm x 4mm VSON package

Applications

  • IEEE 802.3at compliant powered devices
  • VoIP phones
  • Security cameras
  • IP phones
  • Access points

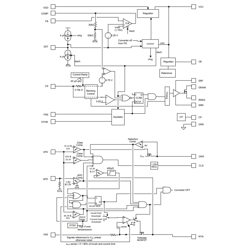
Functional Diagram

Block Diagram - Texas Instruments TPS23758 PoE Power Devices
Publié le: 2019-07-31 | Mis à jour le: 2023-10-12