Texas Instruments Émetteur-récepteur semi-duplex THVD1330 RS-485
L'émetteur-récepteur semi-duplex RS-485 THVD1330 de Texas Instruments avec protection CEI DES est un émetteur-récepteur robuste de faible consommation avec une activation de pilote active-haute et une activation de récepteur active-basse. Cet émetteur-récepteur dispose d'une plage de mode commun de bus de -7 V à 12 V et d'un faible courant d'arrêt maximum de 5 μA. L'émetteur-récepteur THVD1330 offre un courant de pilote de sortie maximum de 60mA et un courant de récepteur de sortie maximum de 8 mA. Cet émetteur-récepteur fonctionne à partir d'une tension d'alimentation unique de 3,3 V et d'une plage de température de -40 °C à 125 °C. L'émetteur-récepteur THVD1330 est utilisé dans les infrastructures sans fil, l'automatisation d'usine, l'automatisation des bâtiments de contrôle et l'infrastructure de réseau.L'émetteur-récepteur THVD1330 convient à la transmission de données jusqu'à 32 Mbps et aux applications multipoints sur de longs parcours de câbles. Cet émetteur-récepteur est destiné à une faible variation du délai de propagation afin de prendre en charge les applications sensibles au temps telles que l'unité de bande de base (BBU) et l'unité radio distante (RRU). L'émetteur-récepteur THVD1330 est utilisé dans les infrastructures sans fil, l'automatisation d'usine, l'automatisation des bâtiments de contrôle et l'infrastructure de réseau.
Caractéristiques
- Satisfait ou dépasse les exigences de la norme TIA/EIA-485A
- Semi-duplex RS-422/RS-485
- Mise sous tension ou hors tension sans problème pour une capacité de branchement à chaud
- Plage de tension d'alimentationde 3 V à 3,6 V
- Récepteur à sécurité intégrée de bus ouvert, court-circuité et inactif
- Fonctionnement avec débit de données maximum de 32 Mbps
- Courant d'arrêt faible maximum de 5 µA
- Protection E/S de bus
- DES du modèle de corps humain (HBM) de ±16 kV
- Décharge de contact CEI 61000-4-2 de ±8 kV
- Plage de température de fonctionnement ambiante de -40°C à 125°C
- Plage de mode commun du bus de -7 V à 12 V
- Boîtier SOIC (D, 8) de 4,9 mm x 6 mm
- Conforme RoHS et REACH
Applications
- Infrastructure sans fil
- Automatisation d'usine
- Contrôler l'automatisation des bâtiments
- Infrastructure de réseau
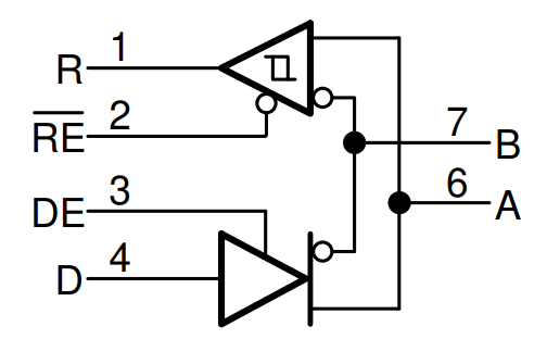
Schéma de principe simplifié
Publié le: 2024-01-12
| Mis à jour le: 2024-01-24
