Texas Instruments Réadaptateurs hybrides à décalage de niveau TDP1204
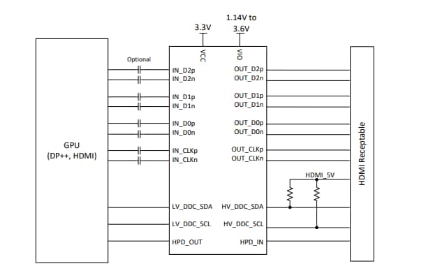
Les réadaptateurs hybrides à décalage de niveau TDP1204 CC/CA couplés à HDMI™ 2.1 de Texas Instruments fournissent des débits de données jusqu'à 12 Gbit/s et ont une compatibilité descendante avec HDMI 1.4b et HDMI 2.0b. Les redresseurs polyvalents fournissent des entrées et des sorties différentielles à haut débit qui peuvent être couplées en courant alternatif ou en courant continu, ce qui permet au TDP1204 d'être utilisé comme un décaleur de niveau DP++ vers HDMI ou un redresseur HDMI. Le TDP1204 fournit un FRL HDMI 2.1 à 3 et 4 voies à 3, 6, 8, 10 et 12 Gbit/s.Les réadaptateurs hybrides à décalage de niveau TDP1204 de TI prennent en charge les applications de source et de dissipation et peuvent fonctionner soit dans une fonction de réadaptateur linéaire soit dans une fonction limitée. Lorsqu'il est configuré comme un réadaptateur limité, les niveaux de tension de sortie différentielle du TDP0604 sont indépendants des niveaux de sortie de l'unité de processus graphique (GPU) assurant des niveaux conformes HDMI au niveau du connecteur femelle. L'intégration du décaleur de niveau sur le TDP1204 élimine les solutions discrètes et réduit les coûts du système.
Le TDP1204 offre un seul rail d'alimentation électrique de 3,3 V sur VCC et est présenté en version température commerciale (TDP1204) et température industrielle (TDP1204I).
Caractéristiques
- Entrée et sortie à couplage CA ou CC prenant en charge les débits de données HDMI 2.1 jusqu'à 12 Gbit/s
- Rétrocompatible avec HDMI 1.4b et HDMI 2.0b
- Liaison à débit fixe (FRL) HDMI 2.1 de 3, 6, 8, 10 et 12 Gbit/s
- Prend en charge le FRL à trois et quatre voies HDMI 2.1
- Optimisé pour les applications de source HDMI
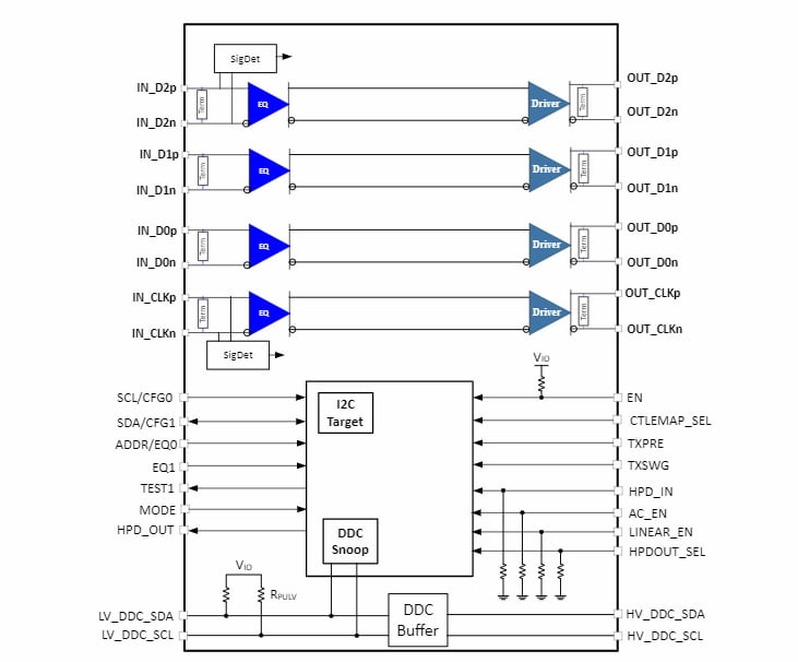
- Égaliseur de récepteur programmable jusqu'à 12 dB à 6 GHz
- Programmable par I2C ou par barrette de broche
- Décalage de niveau HPD intégré prenant en charge les niveaux LVCMOS 1,8 V et 3,3 V
- Tampon DDC intégré prenant en charge des niveaux aussi bas que 1,2 V
- Échange de voie complet sur les voies principales
- Fonction signaux de commande d'affichage numérique (DDC) pour la configuration de liaison
- Faible consommation d'énergie :
- Quatre voies actives limitées FRL 575 mW 12G
- Quatre voies linéaires actives FRL 220 mW 12G
- Mise hors tension de 0,6 mW
- Disponible en température commerciale et industrielle
- Mono-alimentation de 3,3 V
- Boîtier WQFN 40 broches, pas de 0,4 mm, 4 mm × 6 mm
Applications
- Ordinateurs de bureau et notebooks
- Télévision
- Home-cinéma et divertissement
- Systèmes de jeu
- Stations d'accueil
- Audio, vidéo et signalétique pro
Schéma simplifié
Schéma fonctionnel
