Texas Instruments Multiplexeurs 8-à-1 SN74HCS251/SN74HCS251-Q1
Les multiplexeurs 8-à-1 SN74HCS251/SN74HCS251-Q1 de Texas Instruments avec des sorties à 3 états et des entrées à bascule de Schmitt fournissent le décodage binaire complet pour sélectionner 1 des 8 sources de données. Le multiplexeur SN74HCS251/SN74HCS251-Q1 de TI dispose de sorties complémentaires à 3 états contrôlées par stroboscopie.Les multiplexeurs 8 à 1 SN74HCS251/SN74HCS251-Q1 se caractérisent par une température de -40 °C à +125 °C, une faible consommation d'énergie et une large plage de tension de fonctionnement 2 V à 6 V. Les multiplexeurs 8-à-1 SN74HCS251/SN74HCS251-Q1 de Texas Instruments sont disponibles en boîtier TSSOP-16 de 5,00 mm x 4,40 mm et SOIC-16 de 9,90 mm x 3,90 mm. Les dispositifs SN74HCS251-Q1 sont qualifiés AEC-Q100 pour les applications automobiles.
Caractéristiques
- Large plage de tension de fonctionnement de 2 V à 6 V
- Les entrées de déclenchement de Schmitt permettent des signaux d'entrée lents ou bruyants
- Entraînement de la sortie de ±7,8 mA à 6 V
- Plage étendue de température ambiante de -40 à +125 °C, TA
- Faible consommation d'énergie
- ICC standard de 100 nA
- Courant de fuite d'entrée standard de ±100 nA
Applications
- Sélection des données
- Multiplexage
Fiches techniques
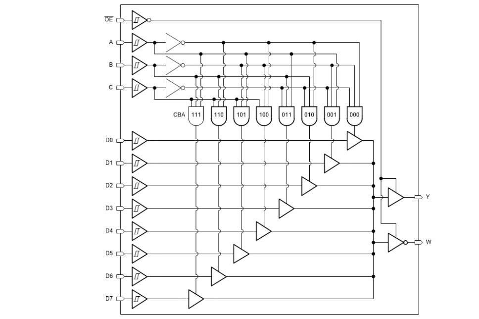
Schéma fonctionnel
Avantages du diagramme des entrées Schmitt-trigger
Publié le: 2020-09-16
| Mis à jour le: 2024-08-21
