Texas Instruments OPAx863/OPAx863-Q1 Amplificateurs d'op à faible consommation et à grande vitesse
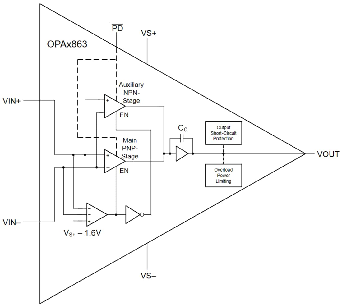
Les amplificateurs opérationnels haute vitesse à faible consommation OPAx863/OPAx863-Q1 de Texas Instruments sont des amplificateurs opérationnels à gain unitaire, à entrée ou sortie rail à rail, à rétroaction en tension. Ces dispositifs sont conçus pour fonctionner sur une plage d'alimentation allant de 2,7 V à 12,6 V. Consommant seulement 700 µA par canal, les dispositifs OPAx863 offrent un produit gain-bande passante de 50 MHz, une vitesse de balayage de 105V/µs, avec une densité de bruit de tension de 5,9nV/√Hz.L'étage d'entrée rail-à-rail, avec un fonctionnement d'alimentation de 2,7 V, est utile dans les applications portables alimentées par batterie. Les étages d'entrée différentiels sont bien adaptés au Produit gain-bande passante et au bruit sur l'ensemble de la plage de tension d'entrée en mode commun, permettant des performances supérieures avec une large plage dynamique d'entrée. Le site OPA863 dispose d'un mode de mise hors tension (PD) avec un courant de repos PD de 1,5 µA (maximum) avec une mise sous tension ou hors tension dans un délai de 10µs (typique).
Les dispositifs Texas Instruments OPAx863A/OPAx863-Q1 comprennent une limitation de la puissance de surcharge pour limiter l'augmentation du courant de repos avec des sorties saturées, évitant ainsi une dissipation excessive critique dans les systèmes alimentés par batterie. L'étage de sortie est protégé contre les courts-circuits, ce qui en fait un amplificateur robuste pour une utilisation à usage général. Les dispositifs OPAx863-Q1 sont qualifiés AEC-Q100 pour les applications automobiles.
Caractéristiques
- Large bande passante
- Bande passante à gain unitaire 110 MHz (AV = 1 V/V)
- Produit gain-bande passante 50 MHz
- Faible puissance
- Courant de repos 700 µA/canal (standard)
- mode de mise hors tension 1,5 µA (maximum)
- Tension d'alimentation de 2,7 V à 12,6 V
- Bruit de tension d'entrée 5,9 nV/√Hz
- Vitesse de balayage 105 V/µs
- Entrée et sortie rail-à-rail
- HD2/HD3 (–129 dBc/–138 dBc à 20 kHz (2 VPP))
- Plage de température de fonctionnement : de -40 °C à +125 °C
- Caractéristiques supplémentaires :
- Limite de puissance de surcharge
- Protection contre les courts-circuits de sortie
Applications
- Pilote de CAN SAR et ΔPHERE à faible puissance
- Tampon de référence CAN
- Détection du courant côté bas
- Interface TIA à Photodiode
- Détection Inductive
- Débitmètres à ultrasons
- Imprimantes multifonctions
- Tampon de sortie MDAC
- Étapes de Gain et de filtre actif
Schéma de principe fonctionnel
