Amplificateurs de détection de courant à gain fixe 60 V LMP8602 / LMP8603 National Products par Texas Instruments

Amplificateurs de détection de courant à gain fixe 60 V LMP8602 / LMP8603 Texas Instruments

Les amplificateurs de détection de courant à gain fixe 60 V LMP8602 / LMP8603 Texas Instruments amplifient et filtrent les petits signaux différentiels en présence des hautes tensions en mode commun. La plage de tension d'entrée en mode commun de ces composants TI va de -22 V à +60 V en fonctionnement à partir d'une seule alimentation 5 V. Avec une alimentation de 3,3 V, la plage de tension d'entrée en mode commun varie de -4 V à +27 V. Les amplificateurs de précision à détection de courant et gain fixe LMP8602 et LMP8603 TI font partie de la gamme LMP® et sont idéaux pour un usage dans les applications de détection de courant unidirectionnelles et bidirectionnelles. Le LMP8602 a un gain précis de 50x tandis que le LMP8603 a un gain précis de 100x. Ces valeurs de gain précis peuvent piloter un CAN à sa valeur à plein régime dans la plupart des applications ciblées. Les LMP8602Q et LMP8603Q intègrent des processus de fabrication et d'assistance améliorés pour le marché automobile, notamment les méthodologies de détection des défauts.

Caractéristiques
  • Sauf mentions contraires, les valeurs standard à TA=25 °C, VS=5,0 V, Gain=50x (LMP8602), Gain=100x (LMP8603)
  • TCVos : 10 μV/°C max
  • CMRR : 90 dB min
  • Tension de décalage d’entrée : 1 mV max.
  • CMVR à VS=3,3 V : -4 V à 27 V
  • CMVR à VS=5,0 V : -22 V à 60 V
  • Plage de température de fonctionnement : de -40 °C à +125 °C
  • Fonctionnement bidirectionnel à alimentation simple
  • Toutes les limites Min. / Max. sont testées à 100 %
Applications
  • Détection de courant en configuration de pilote côté haut et côté bas
  • Mesure du courant bidirectionnel
  • Boucle de courant vers conversion de tension
  • Contrôle d'injection de carburant automobile
  • Commande de transmission
  • Direction assistée
  • Systèmes de gestion de la batterie

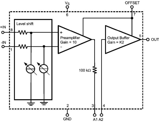
Schéma de principe

Schéma de principe

Applications standard


Applications standard
  • Texas Instruments
Publié le: 2012-03-05 | Mis à jour le: 2022-03-11