Texas Instruments Pilote de LED à haut rendement LP8864-Q1
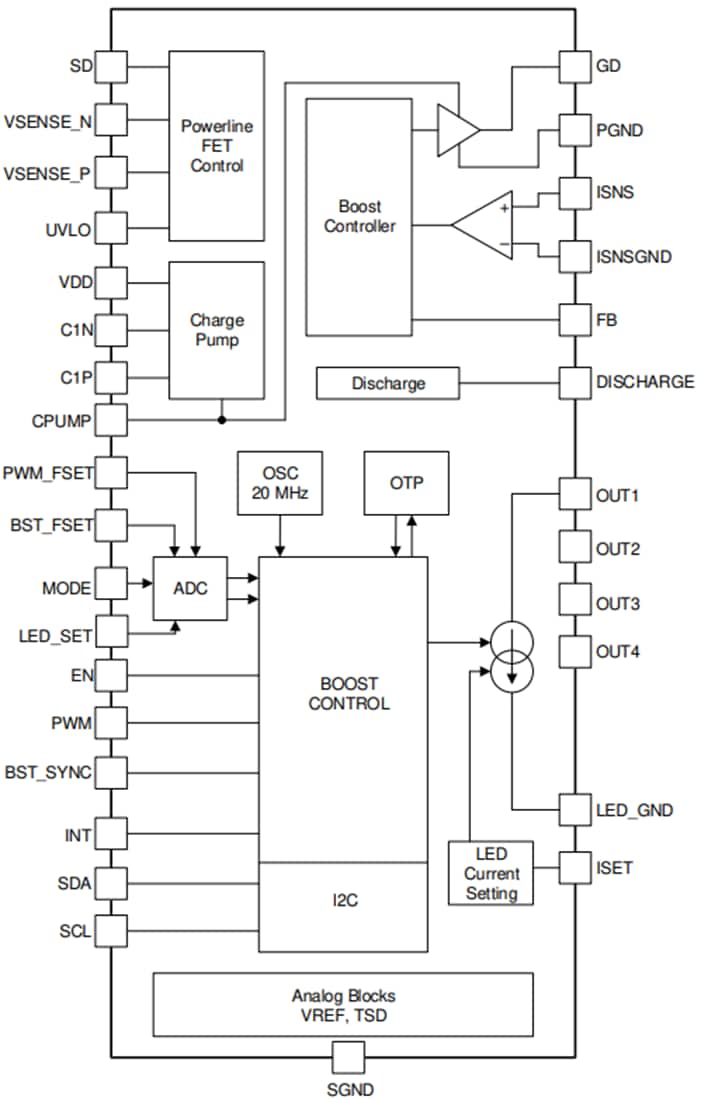
Le pilote LED à haut rendement LP8864-Q1 de Texas Instruments est fourni avec un contrôleur élévateur. Les quatre puits de courant de haute précision prennent en charge le déphasage qui est automatiquement ajusté en fonction du nombre de canaux utilisés. La luminosité des LED peut être contrôlée globalement via l'interface I2C ou l'entrée MLI. Le contrôleur d'amplification dispose d'un contrôle adaptatif de la tension de sortie basé sur les tensions de marge des dissipateurs de courant LED. Cette fonction minimise la consommation d'énergie en ajustant la tension d'amplification au niveau le plus bas possible dans toutes les conditions. Une fréquence réglable sur une large plage permet au LP8864-Q1 d'éviter les perturbations de la bande radio AM. Le LP8864-Q1 de Texas Instruments prend en charge la gradation PWM hybride intégrée et la variation du courant analogique, ce qui réduit les EMI, étend la durée de vie de la LED et augmente l'efficacité optique totale.Caractéristiques
- Homologué AEC-Q100 pour les applications automobiles
- Grade 1 de température de l'appareil de -40°C à +125 °C, TA
- Niveau de classification DES 2 HBM pour les dispositifs
- Niveau C4B de classification d'appareil CDM ESD
- Plage de fonctionnement de tension en entrée de 3 V à 48 V
- Quatre dissipateurs de courant de haute précision
- Courant CC jusqu'à 200 mA pour chaque dissipateur de courant
- Adaptation de courant 1 % (standard)
- Rapport de graduation 32 000:1 en utilisant la fréquence MLI de la sortie LED 152 Hz
- Résolution de graduation des LED jusqu'à 16 bits avec I2C ou entrée MLI
- Configuration de 8 chaînes de LED configurables
- Gradation PWM de décalage de phase automatique
- Graduation analogique 12 bits
- Jusqu'à 48 V VOUT en boost ou contrôleur SEPIC CC-CC
- Fréquence de commutation de 100 kHz à 2,2 MHz
- Augmenter le spectre de diffusion pour réduire l'EMI
- Augmenter l'entrée de synchronisation pour définir la fréquence de commutation d'amplification à partir d'une horloge externe
- Tension de sortie déchargée automatiquement lorsque l'amplification est désactivée
- Diagnostics approfondis des défaillances
Applications
- Rétroéclairage pour
- Info-divertissement automobile
- Groupes d'instruments automobiles
- Miroirs intelligents
- Affichages tête haute (HUD)
Fiches techniques
Schéma de principe fonctionnel
Publié le: 2020-11-02
| Mis à jour le: 2025-02-27
