Texas Instruments Pilote LED RVB 18 canaux LP5861
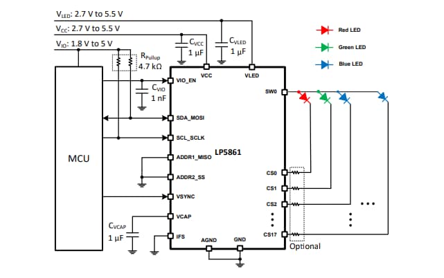
Le pilote LED RVB 18 canaux LP5861 de Texas Instruments est conçu pour améliorer l'expérience utilisateur en matière d'animation et d'indication dans une matrice LED avec une solution de petite taille. Le LP5861 intègre 18 dissipateurs à courant constant avec N (N = 1/2/4/6/8/11), des MOSFET de commutation pour prendre en charge N × 18 points LED ou 6 LED RVB N. Le LP5861 intègre 1 MOSFET pour un maximum de 18 points de LED ou 6 LED RVB.Le pilote LED RVB 18 canaux LP5861 de TI prend en charge les méthodes de gradation analogique et PWM. Le pilote peut ajuster chaque point LED en 256 incréments pour la gradation analogique. Pour la gradation PWM, les générateurs PWM configurables 8 ou 16 bits intégrés permettent un contrôle de gradation lisse et sans bruit audible. Chaque point LED peut également être cartographié arbitrairement en PWM de groupe 8 bits pour obtenir un contrôle de gradation ensemble.
Le pilote de LED LP5861 met en œuvre une SRAM entièrement adressable pour minimiser le trafic de données. Le circuit de suppression des images fantômes est intégré pour éliminer les images fantômes vers le haut et vers le bas. Le LP5861 offre également des fonctions de détection d'ouverture et de court-circuit par LED.
Le pilote LED LP5861 est disponible en boîtier VQFN 32 mm × 4 mm avec une interface I2C de 1 MHz (maximum) ou SPI de 12 MHz (maximum).
Caractéristiques
- Tension de fonctionnement :
- Plage de 2,7 V à 5,5 V VCC/VLED
- Les broches logiques sont compatibles avec 1,8 V, 3,3 V et 5 V
- 18 dissipateurs à courant constant avec haute précision :
- De 0,1 mA à 50 mA par dissipateur de courant lorsque VCC ≥ 3,3 V
- Erreur de dispositif à dispositif de ±5 %
- Erreur canal-à-canal de ±5 %
- Décalage de phase pour une alimentation transitoire équilibrée
- Ultra faible consommation électrique :
- ICC ≤ 2 µA quand EN = mode d'arrêt bas
- Mode veille : ICC ≤ 10 µA quand EN = Haut et CHIP_EN = 0 (données conservées)
- Mode actif : ICC = 3 mA (std) quand le courant du canal est = 5 mA
- SRAM adressable complète pour minimiser le trafic de données
- Options d'interface :
- 1 MHz (max.) Interface I2C quand IFS = Bas
- 12 MHz (max.) Interface SPI quand IFS = Haut
- Options de gradation flexibles :
- Contrôle MARCHE/ARRÊT individuel pour chaque point LED
- Gradation analogique (contrôle du gain de courant)
- Paramètre de courant maximal (MC) 3 bits global pour tous les points LED
- Trois groupes de paramètres de courant de couleur (CC) 7 bits pour le rouge, le vert et le bleu
- Réglage individuel du courant de point (CC) 8 bits pour chaque point LED
- Gradation PWM avec fréquence sans bruit audible
- Gradation PWM globale 8 bits pour tous les points LED
- Trois groupes programmables de gradation PWM 8 bits pour la cartographie arbitraire de points LED
- Gradation PWM individuelle 8 bits ou 16 bits pour chaque point LED
- Suppression des images fantômes et compensation de faible luminosité
- Détection et protection par LED des ouvertures et des courts-circuits
Applications
- Animation et indication LED pour :
- Clavier, souris et accessoires de jeu
- Principaux appareils électroménagers intelligents
- Haut-parleur intelligent, haut-parleur filaire et sans fil
- Mixeur audio, équipement DJ et de diffusion
- Équipements d'accès, commutateurs et serveurs
- Dissipateurs de courant constant pour module optique
Schéma simplifié
