Texas Instruments Convertisseurs Buck SIMPLE SWITCHER® LMR51430
Les convertisseurs Buck SIMPLE SWITCHER® LMR51430 de Texas Instruments sont faciles à utiliser avec la capacité de piloter un courant de charge pouvant atteindre 3 A. Offrant une large plage d'entrée de 4,5 V à 36 V, le LMR51430 est idéal pour une gamme complète d'applications industrielles de conditionnement de puissance à partir d'une source non régulée. La fréquence de commutation de 500 kHz et 1,1 MHz sur le composant prend en charge l'utilisation d'inducteurs relativement petits, ce qui permet d'optimiser la taille de la solution.Les convertisseurs Buck LMR51430 de TI proposent une version PFM pour obtenir une haute efficacité à faible charge et une version FPWM pour obtenir une fréquence constante et une faible ondulation de la tension de sortie sur toute la plage de charge. Le dispositif nécessite un minimum de composants externes, les circuits de démarrage progressif et de compensation étant mis en œuvre en interne. En outre, le LMR51430 offre des fonctions de protection intégrées, notamment une limite de courant cycle par cycle, un mode hoquet, une protection contre les courts-circuits et un arrêt thermique en cas de dissipation d'énergie excessive.
Le LMR51430 est logé dans un boîtier SOT-23 à 6 broches.
Caractéristiques
- Compatible avec la sécurité fonctionnelle
- Documentation disponible pour aider à la conception de systèmes de sécurité fonctionnels
- Configuré pour les applications industrielles robustes
- Plage de tension d'entrée de 4,5 V à 36 V
- Puissance de sortie continue de 3 A
- Temps de commutation minimum de 70 ns
- Options de fréquence de commutation fixe de 500 kHz et 1,1 MHz
- Plage de température de jonction de –40° C à 150° C
- Rapport cyclique maximal de 98 %
- Démarrage avec sortie pré-polarisée
- Protection interne contre les courts-circuits avec mode hoquet
- Référence de tension de tolérance ±1,5 %
- Activation de précision
- Petite taille de solution et facilité d'utilisation
- Redressement synchrone intégré
- Compensation interne pour une utilisation facile
- Boîtier SOT-23
- Compatible broche-à-broche avec TPS54202 et TPS54302
- Des options PFM et MLI forcé (FPWM) sont disponibles
- Créez un design personnalisé en utilisant le LMR51430 avec WEBENCH® Power Designer
Applications
- Électroménager
- Immotique
- Commandes de moteurs
- Alimentations électriques à usage général à large VIN
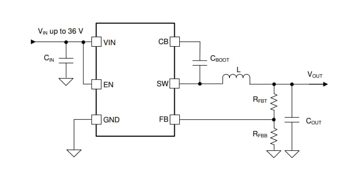
Schéma simplifié
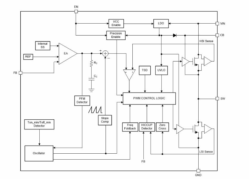
Schéma fonctionnel
Rendement par rapport au courant de sortie
Publié le: 2022-07-25
| Mis à jour le: 2022-11-17
