Texas Instruments Amplificateur de rétroaction de tension LM7171
L'amplificateur à rétroaction de tension LM7171 de Texas Instruments est un amplificateur à rétroaction de tension haut débit ayant la caractéristique de balayage d'un amplificateur à rétroaction de courant. Il peut également être utilisé dans toutes les configurations d'amplificateur à rétroaction de tension traditionnelles. Le LM7171 est stable pour des gains aussi bas que +2 ou −1. Il fournit une très haute vitesse de balayage de 4 100 V/μs et une large bande passante de gain unitaire de 200 MHz tout en ne consommant que 6,5 mA de courant d'alimentation. Il est idéal pour les applications de traitement de signal à haute vitesse et vidéo telles que les HDSL et les amplificateurs d'impulsions. Avec un courant de sortie de 100 mA, le LM7171 peut être utilisé pour la diffusion vidéo, un pilote de transformateur ou un pilote de diode laser.Le fonctionnement sur des alimentations électriques de ±15 V permet des oscillations de signal importantes et fournit une plus grande plage dynamique et un rapport signal/bruit. Le LM7171 offre un faible SFDR et THD, idéaux pour les systèmes CAN/CNA. De plus, le LM7171 est spécifié pour un fonctionnement à ±5 V pour les applications portables. Le LM7171 est bâti sur le processus bipolaire complémentaire VIP III (PNP verticalement intégré) avancé de Texas Instruments.
Caractéristiques
- Topologie de rétroaction de tension facile à utiliser
- Vitesse de balayage très élevée 2 400 V/μs
- Large bande passante de gain unitaire 200 MHz
- Fréquence de -3 dB à AV = +2 (220 MHz)
- Faible courant d'alimentation de 6,5 mA
- Gain en boucle ouverte élevé de 85 dB
- Courant de sortie élevé de 100 mA
- Spécifié pour un fonctionnement à ±15 V et ±5 V
- Disponible avec garantie de rayonnement
- Dose ionisante totale 300 krad(Si)
- Sans ELDRS 300 krad(Si)
Applications
- Pilotes HDSL et ADSL
- Systèmes de diffusion multimédia
- Caméras vidéo professionnelles
- Amplificateurs vidéo
- Copieurs/scanners/télécopieurs
- Amplificateurs HDTV
- Amplificateurs d'impulsion et détecteurs de crête
- Traitement du signal CATV/fibre optique
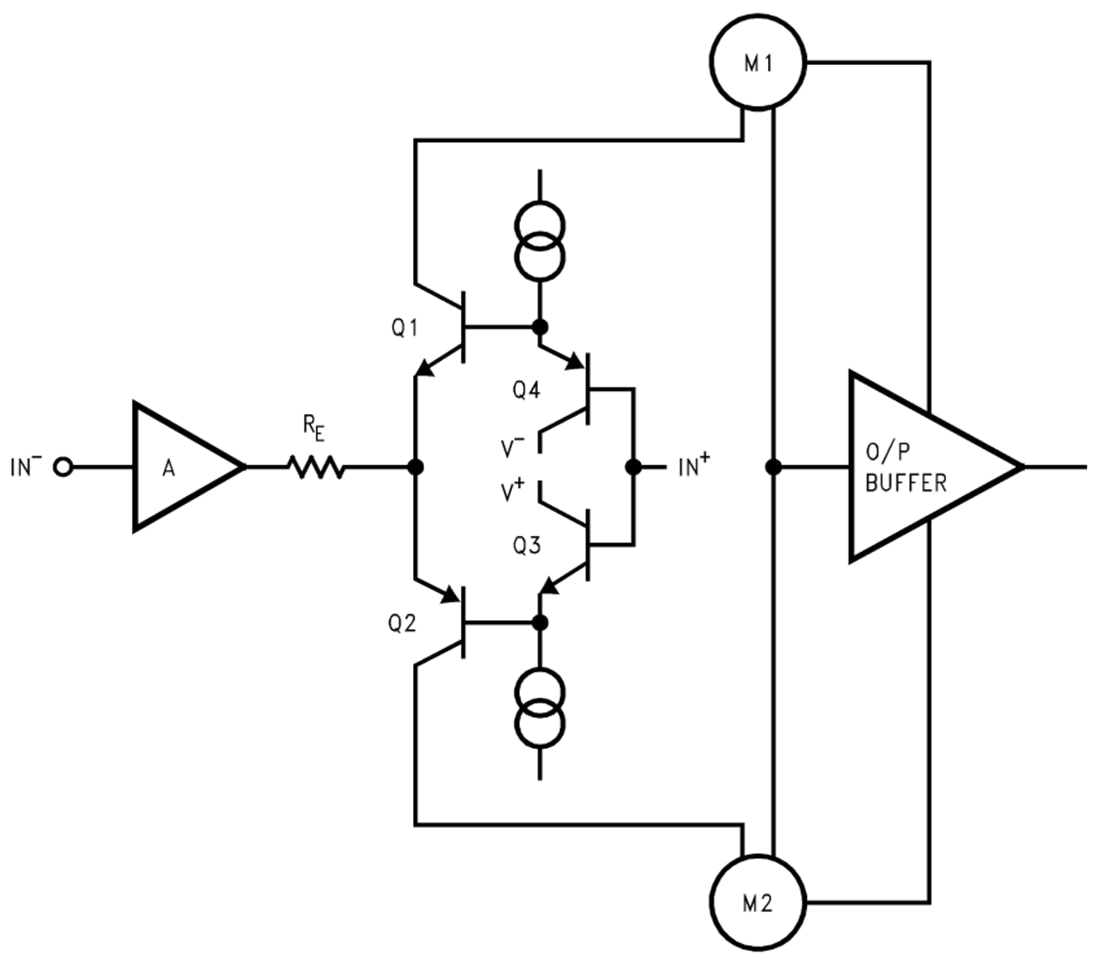
Schéma simplifié
Publié le: 2021-11-29
| Mis à jour le: 2025-03-10
