Texas Instruments Module d'évaluation ISO1640EVM
Le module d'évaluation ISO1640EVM de Texas Instruments est configuré pour évaluer le fonctionnement des émetteurs-récepteurs I2C isolés ISO1640 et ISO1641. Les émetteurs-récepteurs I2C isolés ISO1640 et ISO1641 en boîtiers D à 8 broches et DW à 16 broches permettent à ISO1640EVM d'analyser les systèmes de transmission de données.Le module d'évaluation ISO1640EVM TI permet d'évaluer différents paramètres système des dispositifs ISO1640 et ISO1641. Des signaux et des séquences de test peuvent être appliqués aux canaux du dispositif pour évaluer les caractéristiques de performance de paramètres tels que le retard de propagation, les temps de montée/descente et la consommation d'énergie pour différentes conditions du dispositif.
Caractéristiques
- Pour l'évaluation des dispositifs ISO1640 et ISO1641 en boîtiers D et DW
- Tension d'alimentation et conversion de niveau de 3 V à 5,5 V sur le côté 1 et 2,25 V à 5,5 V sur le côté 2
- Communication isolée, bidirectionnelle, compatible I2C
- Points d'essai et connecteurs pour l'évaluation autonome ou l'évaluation avec des systèmes plus importants.
- Durée de la barrière d'isolation > 40 ans
Disposition de la carte
Fonctionnement EVM de base
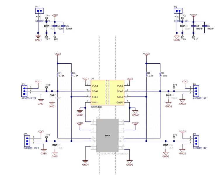
Schéma
Publié le: 2020-10-28
| Mis à jour le: 2024-09-10
