Texas Instruments Amplificateur de différence e-trim ™ DE PRÉCISION INA597
L'amplificateur de différence e-trim™ DE PRÉCISION INA597 de Texas Instruments est un amplificateur de différence à large bande passante et faible puissance pour les applications sensibles au coût. L'INA597 est constitué d'un amplificateur opérationnel de précision (ampli-op) et d'un réseau de résistances de précision. Un excellent suivi des résistances maintient une précision de gain et une réjection en mode commun sur la température. Ses caractéristiques uniques telles qu'un faible décalage (200 µV, maximum), une faible dérive du décalage (5 µV/°C maximum) , une haute vitesse de balayage (18 V/µs) et un pilote de charge capacitif élevé jusqu'à 500 pF font de l'INA597 un amplificateur de différence à hautes performances robuste pour les applications industrielles à haute tension.La plage de mode commun de l'ampli - op interne s'étend à l'alimentation négative et permet au composant de fonctionner dans des applications à alimentation unique. Le composant fonctionne à partir d'alimentations simples (4,5 V à 36 V) ou doubles (±2,25 V à ±18 V). L'amplificateur de différence est le fondement de nombreux circuits couramment utilisés. L'INA597 de Texas Instruments fournit cette fonction de circuit sans utiliser un réseau de résistances de précision coûteux.
Caractéristiques
- Faible tension de décalage 200 µV (maximum)
- Faible dérive de la tension résiduelle ±5 µV/°C (maximum)
- 18 nV/√Hz à 1 kHz de bruit faible
- Erreur de gain faible ±0,03% (maximum)
- réjection de mode commun élevée de 88 dB (minimum)
- Large bande passante 2 MHz GBW
- Faible courant de repos 1,1 mA par amplificateur
- Vitesse de balayage élevée de 18 V/µs
- Capacité de pilotage de charge capacitive élevée de 500 pF
- Vaste plage de tension d'alimentation
- Alimentation simple de 4,5 V à 36 V
- Alimentation double de ±2,25 V à ±18 V
- Plage de température spécifiée de –40°C à +125 C
- Boîtiers SOIC et VSSOP à 8 broches
Applications
- Acquisition de données (DAQ)
- Modules et étiquettes de capteurs pour le suivi des actifs
- Émetteur de flux
- Module optique
- Module d'alimentation
- Rétroaction de position de moteur CA
- Rétroaction de position de servomoteur
- Module de conditionnement de tension
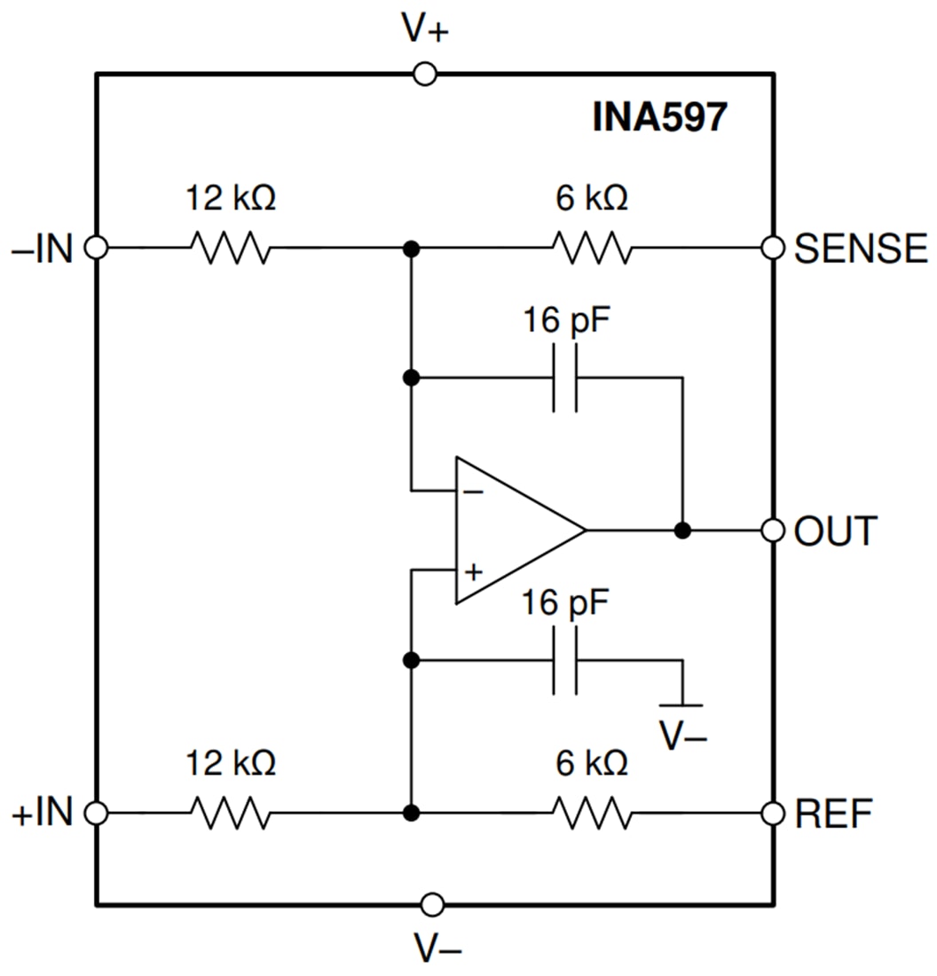
Schéma de principe fonctionnel
Publié le: 2021-03-16
| Mis à jour le: 2022-03-11
