Texas Instruments Double pilote de moteur à pont en H DRV8411
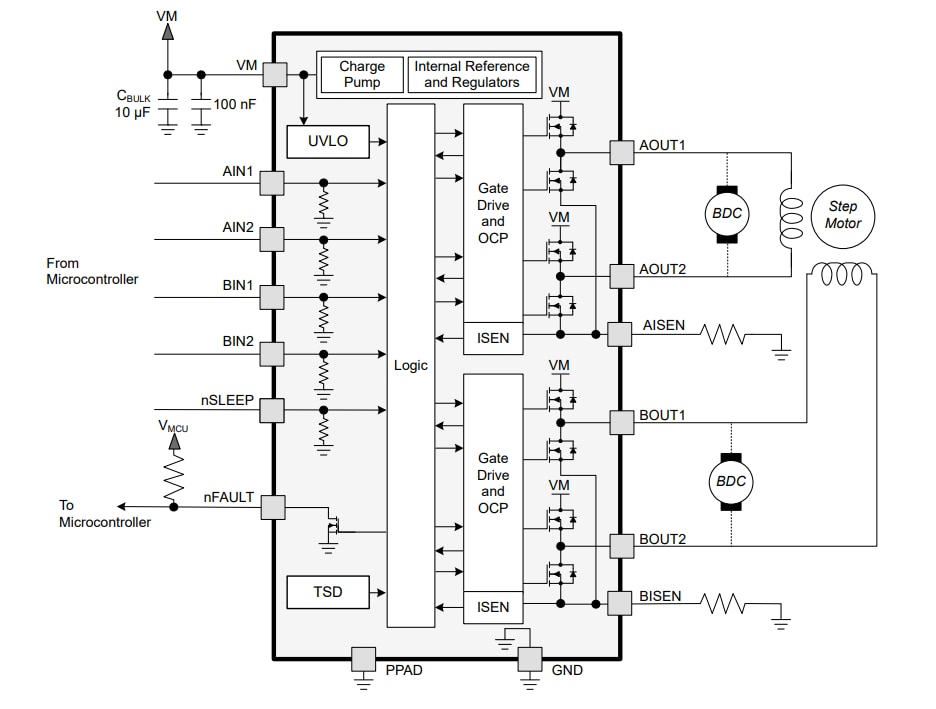
Le double pilote de moteur à pont en H DRV8411 de Texas Instruments gère un ou deux moteurs à balais CC, un moteur pas à pas, des solénoïdes ou d'autres charges inductives. L´architecture de pompe à triple charge permet au dispositif de fonctionner jusqu'à 1,65 V pour s'adapter aux rails d'alimentation de 1,8 V et aux conditions de batterie faible. La pompe de charge intègre tous les condensateurs et permet un fonctionnement à 100 % du rapport cyclique. Les entrées et sorties peuvent être mises en parallèle pour piloter des moteurs CC à balais à courant élevé avec la moitié du RDS(ON).Le pilote moteur DRV8411 de TI met en œuvre une régulation de courant en comparant une tension de référence interne à la tension sur les broches xISEN, qui est proportionnelle au courant du moteur à travers une résistance de détection externe. La limitation du courant peut réduire de manière significative les courants importants lors des conditions de démarrage du moteur et les conditions de butée. Un mode veille à faible puissance réalise un courant de repos ultra faible en arrêtant la plupart des circuits internes.
Les caractéristiques de protection interne comprennent la sous-tension, la surintensité et la surchauffe. Le DRV8411 fait partie d'une famille de composants avec des options RDS(ON) broche à broche évolutives pour prendre en charge diverses charges avec un minimum de modifications de conception.
Caractéristiques
- Double pilote de moteur à pont en H, peut piloter -
- Un moteur pas-à-pas bipolaire
- Un ou deux moteurs CC à balais
- Solénoïdes et autres charges inductives
- Faible résistance en état de fonctionnement faible : HS + LS = 400 mΩ (standard, 25 °C)
- Large plage de tension d'alimentation de 1,65 V à 11 V
- Compatible broche à broche avec -
- DRV8833 avec pont/360 mΩ
- DRV8833C avec pont/1735 mΩ
- DRV8847 avec pont/1 000 MΩ
- DRV8410 avec pont/800 mΩ
- DRV8411A avec 400 mΩ/Pont
- Capacité de courant de sortie de crête élevée de 4 A
- Interface de contrôle PWM
- Prend en charge les entrées logiques 1,8 V, 3,3 V et 5 V
- Régulation de courant intégrée
- Mode veille à faible puissance
- ≤40 nA à VVM = 5 V, TJ = 25 °C
- Boîtier de petite taille et empreinte réduite
- HTSSOP à 16 broches avec PowerPAD™, 5,0 mm x 4,4 mm
- WQFN à 16 broches avec PowerPAD™, 3,0 mm x 3,0 mm
- Fonctionnalités de protection intégrées
- Verrouillage de sous-tension VM (UVLO)
- Protection contre les surintensités à relance automatique (OCP)
- Arrêt thermique (TSD)
- Broche indiquant une défaillance (nFAULT)
Applications
- Jouets alimentés par piles
- Imprimantes PDV
- Caméras de sécurité vidéo
- Machines et automatismes bureautiques
- Machines de jeux
- Robotique
- Verrouillages électroniques intelligents
- Charges solénoïdes à usage général
Schéma simplifié
Schéma fonctionnel
