
Texas Instruments DLP2010NIR 0.2" WVGA Near-Infrared DMD
Texas Instruments DLP2010NIR WVGA Near-Infrared Digital Micromirror Device (DMD) performs as a spatial light modulator (SLM) to steer near-infrared (NIR) light. Designers can use the device to produce patterns with speed, precision, and efficiency. The DLP2010NIR offers high resolution in a compact form factor. The DLP2010NIR DMD is generally combined with a grating single element detector to replace expensive InGaAs linear array-based detector designs. This feature points the way to cost-effective portable NIR Spectroscopy solutions. The Texas Instruments DLP2010NIR DMD enables wavelength control and a programmable spectrum. This feature makes DLP2010NIR DMD well suited for low-power mobile applications such as skin analysis, material identification, and chemical sensing.Features
- 0.2inch (5.29mm) diagonal micromirror array
- 854 × 480 array of aluminum micrometer-sized mirrors in an orthogonal layout
- 5.4µm micromirror pitch
- ±17° micromirror tilt (relative to a flat surface)
- Side illumination for optimal efficiency and optical engine size
- Highly efficient steering of NIR light
- Window transmission efficiency 96% nominal (700 to 2000nm, single pass through two window surfaces)
- Window transmission efficiency 90% nominal (2000 to 2500nm, single pass through two window surfaces)
- Polarization-independent aluminum micromirrors
- Dedicated DLPC150/DLPC3470 controllers for reliable operation
- Binary pattern rates up to 2880Hz
- Pattern sequence mode for control over each micromirror in the array
- Dedicated Power Management Integrated Circuit (PMIC) DLPA2000 or DLPA2005 for reliable operation
- 15.9mm × 5.3mm × 4mm body size for portable instruments
Applications
- Spectrometers (chemical analysis)
- Portable process analyzers
- Portable equipment
- Compressive sensing (single-pixel NIR cameras)
- 3D biometrics
- Machine vision
- Infrared scene projection
- Microscopes
- Laser marking
- Optical choppers
- Optical networking
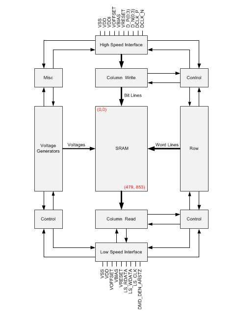
Block Diagram

Publié le: 2017-02-15
| Mis à jour le: 2022-03-29