Texas Instruments Comparateurs isolés de précision AMC23C10/-Q1
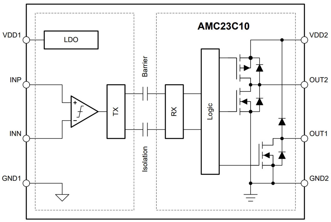
Les comparateurs isolés de précision AMC23C10/AMC23C10-Q1 de Texas Instruments ont un temps de réponse court, conçu explicitement pour la détection de passage par zéro des signaux haute tension qui doivent être isolés galvaniquement des circuiteries basse tension. Les sorties à drain ouvert et push-pull sont séparées du circuiterie d'entrée par une barrière d'isolation hautement résistante aux interférences magnétiques. Cette barrière est certifiée pour fournir une isolation galvanique renforcée pouvant atteindre 5 kVRMS conformément à VDE 0884-17 et UL1577. Par ailleurs, ils prennent en charge une tension de fonctionnement jusqu'à 1 kVRMS.Le composant offre un drain ouvert et une sortie push-pull avec un retard de propagation inférieur à 320 ns. Le régulateur intégré à faible niveau de perte (LDO) prend en charge une plage de tension de fonctionnement de 3 V à 27 V du côté de la haute tension, permettant au comparateur d'être alimenté à partir d'une large gamme d'alimentations électriques. La plage de tension d'exploitation côté basse tension est de 2,7 V à 5,5 V. L'AMC23C10 de Texas Instruments est disponible dans un boîtier SOIC à large corps de 8 broches et est spécifié sur la plage de température industrielle étendue de –40 °C à +125 °C.
Caractéristiques
- Large plage d'alimentation côté haut de 3 V à 27 V
- Plage d'alimentation basse tension de 2,7 V à 5,5 V
- Erreur de seuil de déclenchement ±6 mV (max)
- Sortie à drain ouvert et push-pull
- Retard de propagation de 230 ns (std)
- CMTI élevé
- Sortie à drain ouvert - 75 V/ns (min.)
- Sortie Push-pull - 100 V/ns (min.)
- Certifications liées à la sécurité
- Isolation renforcée de 7 000 VPK conforme à la norme DIN EN CEI 60747-17 (VDE 0884-17)
- Isolation de 5 000 VRMS pendant 1 minute conforme à la norme UL1577
- De 40 °C à +125 °C, entièrement spécifié sur la plage de température industrielle étendue
Applications
- Détection de passage par zéro et surveillance à usage général en :
- Relais à semiconducteurs (SSR) et disjoncteurs
- Automatisation et commande d'usine
- Immotique
- Électroménager
- Convertisseurs CC/CC
Schéma fonctionnel
Application standard
Fiches techniques
Publié le: 2022-10-05
| Mis à jour le: 2025-06-06
