Texas Instruments Modulateurs Delta-Sigma isolés AMC1336/AMC1336-Q1
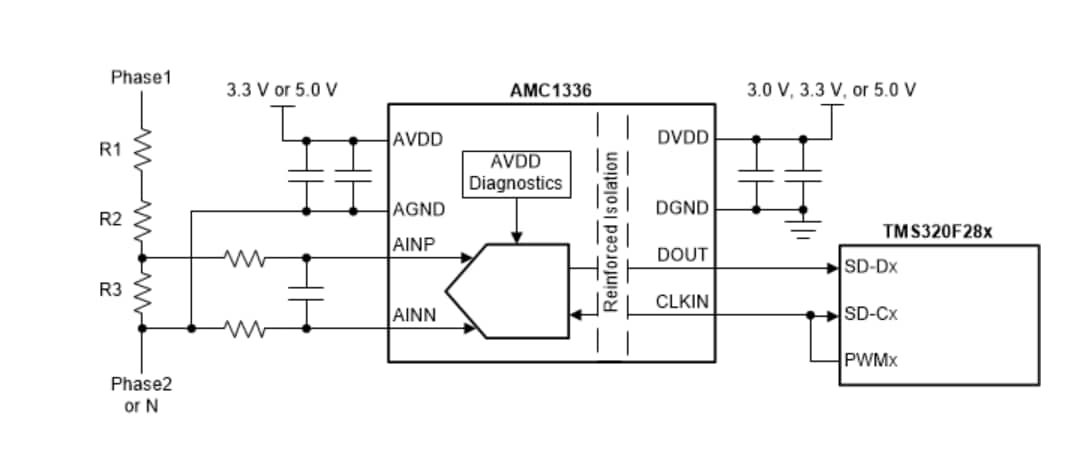
Les modulateurs isolés renforcés Delta-Sigma AMC1336/AMC1336-Q1 de Texas Instruments offrent une sortie séparée du circuit d'entrée par une double barrière d'isolation capacitive très résistante aux interférences magnétiques Cette barrière est certifiée pour fournir une isolation renforcée jusqu'à 8000 VCRÊTE selon les normes DIN VDE V 0884-11 et UL1577. Les modulateurs AMC1336/AMC1336-Q1 séparent les parties du système qui fonctionnent à différents niveaux de tension en mode commun et protègent les parties à basse tension contre les dommages lorsqu'elles sont utilisées avec d'autres alimentations isolées.Les modulateurs Delta-Sigma isolés renforcés AMC1336 ont une large plage de tension d'entrée bipolaire ±1 V avec une résistance d'entrée élevée qui permet la connexion directe du dispositif à des diviseurs résistifs dans des applications à haute tension. Lorsqu'il est utilisé avec un filtre numérique tel que les familles de microcontrôleurs TMS320F28004x, TMS320F2807x ou TMS320F2837x pour décimer le flux binaire de sortie, le dispositif peut atteindre une résolution de 16 bits avec une plage dynamique de 87 dB à un débit de données de 82kSPS.
Le AMC1336 est alimenté par une alimentation 3,3 V ou 5 V du côté haut et fonctionne à partir d'une alimentation 3,0 V, 3,3 V, ou 5 V de l'interface numérique isolée. Les performances du modulateur AMC1336 sont spécifiées sur la plage de température industrielle étendue de -40 °C à +125 °C. Les dispositifs AMC1336-Q1 de Texas Instruments sont qualifiés AEC-Q100 pour les applications automobiles.
Caractéristiques
- Structure d'entrée optimisée pour les mesures de tension
- Plage de tension d'entrée : ±1 V
- Résistance d'entrée : 1,5 GΩ (std)
- Excellente performance en CC :
- Erreur de décalage : ±0,5 mV (max)
- Dérive de décalage : ±4 µV/°C (max)
- Erreur de gain : ±0,25 % (max)
- Dérive de gain : ±40 ppm/°C (max)
- Immunité transitoire : 115 kV/µs (std)
- Détection de l'absence d'alimentation côté haut
- Certifications liées à la sécurité :
- 8 000 V Isolation renforcéeCRÊTE selon DIN VDE V 0884-11: 2017-01
- IsolationRMS à 5 700 V pour 1 minute par UL1577
- Norme CEI 62368-1 relative aux équipements terminaux
Applications
- Mesure de tension CA et CC isolée en :
- Alimentations sans interruption (UPS)
- Onduleurs photovoltaïques
- Commandes de moteurs
Fiches techniques
Schéma de principe
