Texas Instruments Frontal analogique (AFE) Ultra-faible puissance AFE44I3x
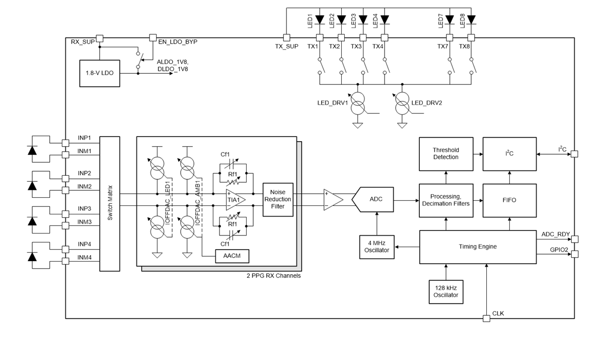
Le frontal analogique intégré ultra-basse consommation AFE44I3x de Texas Instruments est conçu pour les applications de biodétection optique, telles que la surveillance de la fréquence cardiaque (HRM) et la saturation en oxygène des capillaires périphériques (SpO2). L'AFE44I3x prend en charge jusqu'à six diodes électroluminescentes (LED) à commutation et jusqu'à quatre photodiodes. Jusqu'à 24 phases de signal peuvent être définies et le signal peut être acquis de chaque phase de manière synchronisée. Le courant de la photodiode est converti en tension par l'amplificateur de transimpédance (TIA) et numérisé à l'aide d'un convertisseur analogique-numérique (CAN). Le code CAN peut être stocké dans un bloc FIFO (First-In, First-Out/ premier entré, premier sorti - PEPS) de 128 échantillons. L'adresse PEPS peut être lue à l'aide d'un I2C interface.L'AFE44I3x de Texas Instruments comprend un pilote LED entièrement intégré avec un contrôle du courant sur 8 bits. Ce composant dispose d'un circuit de transmission et de réception à haute plage dynamique qui aide à détecter des niveaux de signal très faibles.
Caractéristiques
- Surveillance précise et continue de la fréquence cardiaque
- SNR système jusqu'à 108 dB à un courant PD de 16 µA
- Faible courant pour un fonctionnement continu sur un dispositif portatif avec une valeur standard (15 µA pour une LED, 20 µA pour le récepteur)
- Émetteur
- Prend en charge la configuration de LED à anode commune
- Courant LED programmable sur 8 bits avec une plage réglable de 25 mA à 250 mA.
- Mode d'incendie de deux LED en parallèle avec un contrôle de courant indépendant par phase
- LED programmable à temps par phase
- Prise en charge simultanée de 6 LED pour SpO2, HRM, ou HRM multi-longueurs d'onde
- Récepteur
- Prend en charge quatre entrées de photodiodes multiplexées dans le temps
- Deux récepteurs parallèles (deux jeux de TIA/filtre)
- CAN de soustraction de décalage ambiant individuel à chaque entrée TIA avec contrôle par phase de 8 bits et plage ajustable jusqu'à 255 µA.
- CNA de sous-traction à décalage de LED individuel à chaque entrée TIA avec un contrôle 5 bits par phase et une plage de 15,5 µA
- Réjection ambiante proche de 100 dB jusqu'à 10 Hz
- Filtrage du bruit avec bande passante programmable
- gain de transimpédance de 3,7 kΩ à 1 mΩ
- Prend en charge l'acquisition de signal jusqu'à 24 phases
- Allocation flexible de 6 LED, 4 PD à chaque phase
- Acquisition de signal simultanée de différents capteurs à différents débits de données
- Prend en charge les modes horloge externe et oscillateur interne
- Option d'acquisition de données synchronisées avec une horloge principale du système
- Annulation automatique du CC à partir de la température ambiante, LED
- FIFO à profondeur de 128 échantillons
- Interface I2C
- DSBGA 2,6 mm × 2,1 mm, pas de 0,4 mm
- Alimentations: Rx: 1,7 V-1,9 V (dérivation LDO); 1,9 V-3,6 V (LDO activé), Tx: 3 V-5,5 V, IO: 1,7 V-3,6 V
Applications
- Surveillance optique de la fréquence cardiaque (HRM) pour les appareils portables et réconfortants
- Variabilité de la fréquence cardiaque (HRV)
- Mesures de l'oxymétrie de pouls (SpO2)
Schéma fonctionnel
Publié le: 2020-04-13
| Mis à jour le: 2024-06-04
