TE Connectivity / Measurement Specialties Capteurs de pression 85UHP
Les capteurs de pression de mesure de spécialité 85UHP de TE Connectivity(TE) disposent d'une puce piézorésistive MEMS incorporée dans un module 316 L en acier inoxydable ou en alliage C276 rempli d'huile de silicone, qui transfère la pression à partir d'un mince diaphragme ondulé sur la face avant. Le profil compact, compatible avec les médias et soudable, a été conçu et fabriqué pour FEO pour une durée de processus d'application semiconducteur supérieure à celle de la capsule ISO 85 standard de TE.Les capteurs de pression Measurement Specialties 85UHP de TE Connectivity(TE) offrent des options de matériaux mouillés et une rugosité de surface optimisée pour les scénarios de pureté ultra élevée et de vide ultra élevé. Ces dispositifs exploitent les capacités avancées MEMS de TE pour offrir une précision et une stabilité inégalées.
Caractéristiques
- Stabilité en vide poussé
- Surfaces mouillées conformes à la norme F105 (variantes d'alliage C276 )
- Température de fonctionnement : de -40 °C à +125 °C
- Non-linéarité de la pression jusqu'à ±0,1 %
- Fiabilité des semi-conducteurs
Applications
- Armoires à gaz
- Contrôleur de débit massique
- Système de distribution de gaz haute pureté
- Contrôle de la pression et du débit dans
- Processus Semiconducteur
Caractéristiques techniques
- Matériau du matériau en contact avec la surface en acier inoxydable C276 ou 316 L - optionnel
- Compensation ou non - optionnel
- Haute stabilité sous vide à 10-3 Pa
- Stabilité à long terme de 0,1 % par an
- Mesure de pression absolue
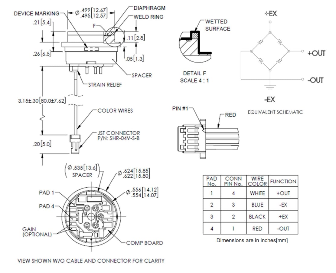
- Diamètre du diaphragme de 13 mm
Dimensions - Non compensées
Dimensions - Courant continu compensé
Dimensions - Tension compensée
Publié le: 2025-09-19
| Mis à jour le: 2025-11-12
