TDK-Lambda CUS100ME AC-DC Power Supplies
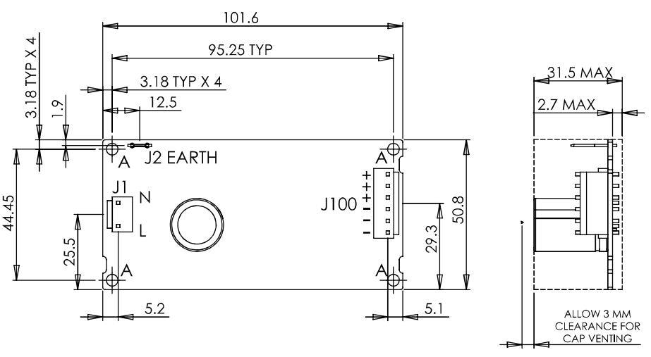
TDK-Lambda CUS100ME AC-DC Power Supplies are 100W regulated switching power supplies with 85VAC to 264VAC input voltage range. These power supplies provide an active average efficiency of more than 87% and support convection, conduction (cold plate), or forced air cooling. The CUS100ME Series power supplies feature short circuit protection (SCP) and overvoltage protections (OVP). These power supplies operate within -20°C to +85°C temperature range and are available in 2" x 4" x 1.24” (50.8mm x 101.6mm x 31.5mm) size frame. Typical applications include medical, industrial, test environments, and broadcast industries.
Features
- Convection, conduction, or forced air cooling
- Excellent ratings at high ambient temperatures
- 100W rating at 50°C
- 50W conduction cooling rating at 80°C
- 75W with 1m/s Airflow at 85°C
- Open frame, U channel, enclosed, or baseplate versions
- 2" x 4" footprint
- 85VAC to 264VAC input voltage range
- 12V, 15V, 18V, 24V, 28V, 36V, and 48V output voltages
- ITE & Medical certifications (2 x MOPP)
- Suitable for Class I and Class II installations
- Class B conducted and radiated EMI
- -20°C to +85°C operating temperature range
Applications
- Medical
- Industrial
- Test and measurement
- Broadcast
Videos
Mechanical Dimensions
Publié le: 2018-07-27
| Mis à jour le: 2025-12-12
