TDK-Lambda RSEV EMC Filters
TDK-Lambda RSEV 6A to 30A, 250VAC EMC Filters are integrated terminal blocks with captive screws. RSEV EMC Filters offer 60Hz frequency and reduced size compared to other TDK-Lambda filters. The recessed screws require no terminal cover. The captive connection screws protect the hardware. Applications include telecom/datacom, industrial, and test and measurement.Features
- Integrated terminal block with captive screws
- Compact size
- Conforms to UL, CSA, and EN Safety Agency Certifications
Applications
- Telecom/datacom
- Industrial
- Test and measurement
Specifications
- 250VAC input voltage
- 6A to 30A current rating
- 60Hz frequency
- -25 to +85C operating temperature range
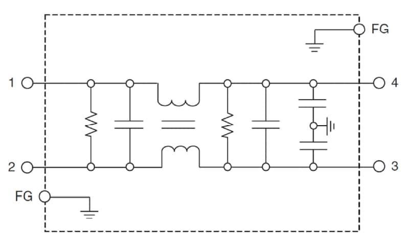
Circuit Diagram
Publié le: 2018-02-20
| Mis à jour le: 2023-01-16
