Amplificateurs de puissance MOSFET 4x45 W TDA7851A / TDA7851F STMicroelectronics

Voir la liste des produits

Ressources supplémentaires

Amplificateurs de puissance MOSFET
4x45 W TDA7851A / TDA7851F STMicroelectronics

Les amplificateurs de puissance quatre ponts MOSFET 4x45 W TDA7851A et TDA7851F STMicroelectronics sont conçus pour les applications d'autoradio à haute puissance. La structure totalement complémentaire en sortie du canal P et canal N des amplificateurs de puissance quatre ponts TDA7851A et TDA7851F STMicroelectronics permet de basculer la tension de sortie rail-à-rail. Les TDA7851A et TDA7851F établissent de nouvelles références en puissance dans le domaine des autoradios avec des performances de distorsion sans précédent.


Caractéristiques
  • Technologie BCD multi-puissance
  • Capacité de haute puissance en sortie :
    • 4x45 W/4 Ω max.
    • 4x28 W/4 Ω à 14,4 V, 1 kHz, 10 %
    • 4x72 W/2 Ω max.
  • MOSFET à étage de puissance en sortie
  • Excellente capacité d'entrainement sous 2 Ω
  • Distorsion de classe Hi-fi
  • Faible bruit de sortie
  • Fonction d’attente 
  • Fonction sourdine
  • Auto-sourdine à détection de tension d'alimentation min.
  • Faible nombre de composants externes :
    • Gain fixé en interne (26 dB)
    • Aucune compensation externe
    • Aucun condensateur auto-élévateur
  • Détection de décalage CC en sortie
  • Protections :
    • Court-circuit de la sortie vers GND, vers VS, à travers la charge
    • Charges très inductives
    • Surclassement de la température de la puce avec limiteur thermique progressif
    • Tension de perte de charge
Applications
  • Autoradio à haute puissance

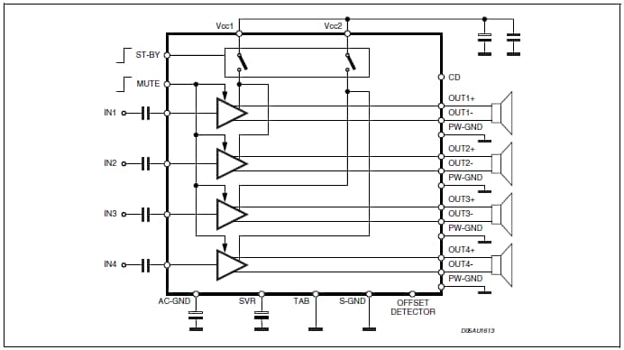
Schéma de principe

Schéma de principe
  • STMicroelectronics
  • Audio
  • Semiconductors|Integrated Circuits|IC-Amplifier|IC-Audio
Publié le: 2011-11-15 | Mis à jour le: 2022-03-11