STMicroelectronics Commandes de grilles de demi-pont STDRIVEG610
Les commandes de grilles demi-pont STDRIVEG610 STMicroelectronics sont des dispositifs hautes performances conçus pour piloter les MOSFET de canal N ou IGBTs dans une variété d’applications de conversion d’énergie. Le STDRIVEG610 de STMicroelectronics dispose d’un contrôle d’entrée unique et une exploitation d’amorçage permettant la commutation côté haut et côté bas efficace avec des composants externes minimaux. Le dispositif prend en charge jusqu’à 600 V sur le pilote côté haut et inclut une protection de verrouillage de sous-tension (UVLO) à la fois sur le côté bas et le côté haut pour garantir l’exploitation de la sécurité. Avec un retard de propagation standard de 50 ns et des temps de retard adaptés, les circuits intégrés STDRIVEG610 sont bien adaptés aux applications de commutation haute fréquence tels que le contrôle de moteur, lesalimentations électriques et les convertisseurs. Lea conception compacte, les fonctionnalités de protection robustes et la plage large de tension d’exploitation font des commandes de grilles demi-pont STDRIVEG610, un choix fiable pour des concepteurs recherchant des solutions de pilote de grille efficaces et compactes.Caractéristiques
- Rail haute tension jusqu’à 600 V
- Immunité transitoire dV/dt de ±200 V/ns
- Pilote avec un chemin de dissipateur et de source séparé pour une commande optimale
- Dissipateur de 2,4 A et 1,2 Ω
- Source de 10 A et 3,7 Ω
- Régulateurs linéaires haute et basse tension pour une tension de modulation de grille de 6 V
- Temps de démarrage ultra-rapide haute tension de 300 ns
- Retard de propagation de 45 ns, Pulse de sortie minimale de 15 ns
- Fréquence de commutation élevée (>1 MHz)
- Diode d’amorçage 600 V intégrée
- Support complet de l’exploitation de commutation dure GaN
- Fonction UVLO sur VCC, VBO et VLS
- Entrées logiques et broche d’arrêt séparées
- Broche de défaut pour la détection de surtempérature et de l’UVLO
- Fonction veille pour mode de faible consommation
- PGND séparé pour la compatibilité de la source Kelvin et du shunt de courant
- Entrées compatibles 3,3 V à 20 V avec hystérésis et pull-down
Applications
- Convertisseurs CC/CC et résonnant (LLC, Flyback serre-câbles actif, totem, ...)
- Topologies de redresseur PFC et synchrone
- Chargeurs et adaptateurs de batteries
- Convertisseurs CA/CC
Caractéristiques techniques
- Plage de tension d’alimentation logique de 9,2 V à 18 V
- Mise à la terre du pilote côté bas ±3 V
- Plage de tension de la broche VBOOT-OUT de 7,5 V à 20 V
- Plage de tensions de sortie de -10,8 VCC à 520 VCC
- Tension de sortie transitoire maximale de 600 V
- Plage de tension d’entrée logique de 0 V à 20 V
- Plage de capacité de dérivation de la tension d’alimentation du pilote de 47 nF à 220 nF
- Capacité d’entrée du régulateur linéaire du pilote haute tension maximale de 3 300 nF
- Durée minimale du pulse d’entrée de 50 ns
- Fréquence de commutation maximale de 2 MHz
- Résistance thermique
- 85°C/W de la jonction à l’environnement lorsque monté sur une carte FR4 2s2p (4 couches) conformément à la JESD51-7 sans vias thermiques sur le PCB
- 110°C/W de la jonction à l’environnement lorsque monté sur une carte FR4 1s0p (1 couche) conformément à la JESD51-3
- Cotes DES
- Modèle de corps humain 2 kV selon ANSI/ESDA/JEDEC JS-001-2017
- Modèle de dispositif chargé à 1 kV selon la norme ANSI/ESDA/JEDEC JS-002-2018
- Plage de température de jonction de -40 °C à +125 °C
- Boîtier QFN de 4 mm x 5 mm x 1 mm
Schéma d'application standard
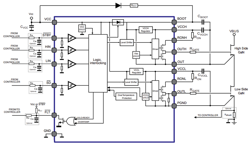
Schéma fonctionnel
Vidéos
Publié le: 2025-06-19
| Mis à jour le: 2025-08-07
