STMicroelectronics Double récepteur de puissance sans fil compatible Qi STWLC38
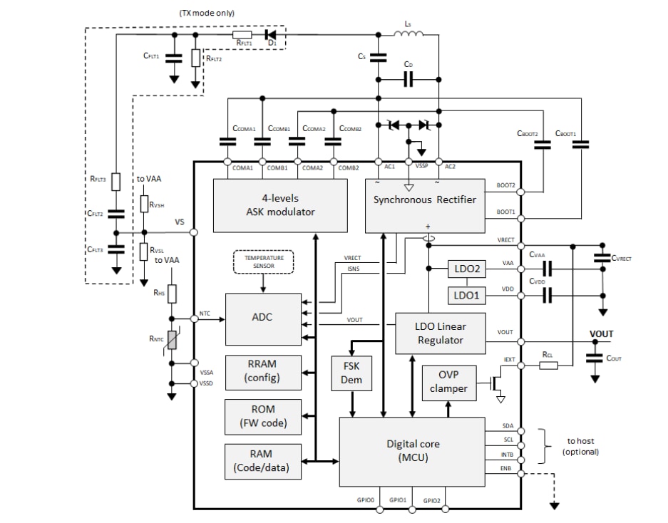
Le double récepteur d'alimentation sans fil compatible Qi STWLC38 de STMicroelectronics est conçu pour les applications de wearables/hearables et les smartphones. La puce prend en charge les caractéristiques techniques Qi 1.3 pour le protocole de communication inductive, le profil de puissance de référence 5 W et le profil de puissance étendue 15 W.Le récepteur STWLC38 STMicro met en œuvre d'excellentes performances d'efficacité via le redresseur synchrone intégré à faible perte et le régulateur linéaire à faible perte de niveau. Le cœur numérique gère de manière dynamique ces éléments pour minimiser la dissipation d'énergie globale sur une large gamme de conditions de charge de sortie.
À l’aide de l’interface I2C, les utilisateurs peuvent accéder et modifier différents paramètres de configuration, en respectant le fonctionnement du périphérique aux exigences des applications personnalisées. Les paramètres de configuration peuvent être enregistrés dans la RAM résistive intégrée (RRAM) et récupérés automatiquement à la mise sous tension. Le STWLC38 peut également fonctionner en mode transmission (Tx) pour transmettre une puissance pouvant atteindre 5 W pour charger d'autres dispositifs.
Le STWLC38 est entouré d'un boîtier à l'échelle d'une puce pour s'adapter aux solutions sensibles à l'espace dans les dispositifs portables.
Caractéristiques
- Puissance de sortie jusqu’à 15 W
- Puissance de sortie jusqu'à 5 W en mode Tx
- Conforme au protocole de communication standard sans fil inductif Qi 1.3
- Redresseur synchrone à haut rendement (98 % standard) fonctionnant jusqu'à 800 kHz
- Régulateur linéaire à faible perte de niveau avec limite du courant de sortie et boucle de réglage de tension d'entrée
- Mode de configuration de redresseur adaptatif (ARC) pour une liberté spatiale améliorée
- Tension de sortie programmable de 4 V à 12 V
- Rendement global du système supérieur à 85 %
- Cœur ARM Cortex M0+ 32 bits, 64 MHz avec 32 ko de RRAM, 16 ko de SRAM, 64 ko de ROM
- Convertisseur A/N 10 bits
- GPIO configurables
- Interface esclave I2C
- Modulateur ASK à niveaux multiples, démodulateur FSK amélioré
- Protection contre les surtensions de sortie
- Mesure précise de la tension/du courant pour la détection d'objets étrangers (FOD)
- Gestion thermique et protections sur puce
- Puce retournée 40 picots (2,12 mm x 3,32 mm)
Applications
- Smartphones
- TWS wearables/hearables
- Dispositifs de suivi d'actifs
- Équipements médicaux et de soin
Schéma fonctionnel
