STMicroelectronics Régulateur de tension à l'échange à chaud STPM801
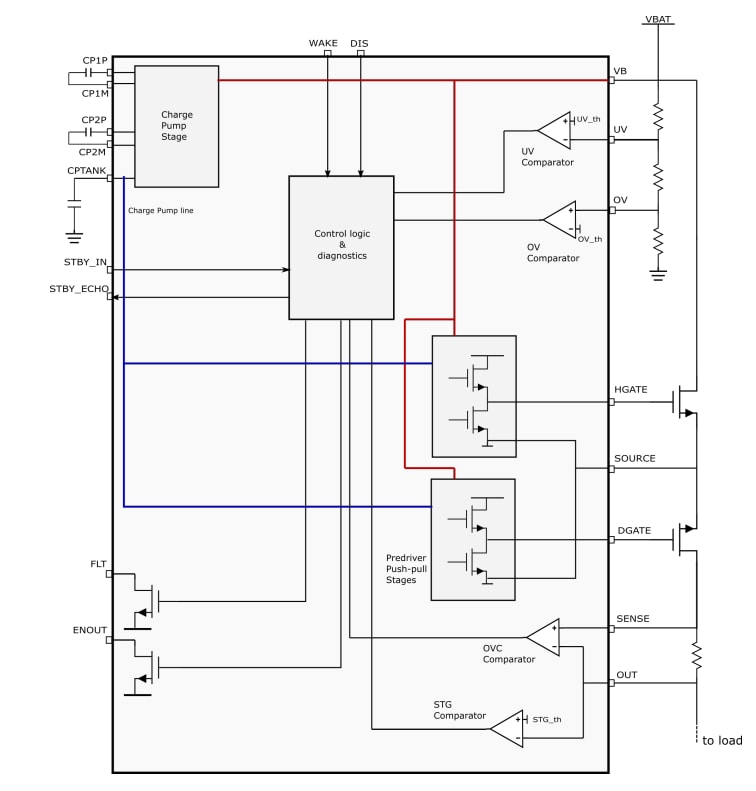
Le régulateur de tension à l'échange à chaud STPM801 de STMicroelectronics fournit des protections intégrées d'échange à chaud, de démarrage progressif et de disjonction logique. Ces protections empêchent les charges des transitoires à haute tension, limitant et régulant la sortie pendant un événement de surtension. Ils comprennent les pertes de charge en contrôlant la chute de tension à travers un MOSFET à canal N externe. Le composant surveille également l'alimentation d'entrée pour la protéger en cas de surtension (OV) et de sous-tension (UV).Le régulateur de tension à l'échange à chaud STPM801 STMicro dispose d’un contrôleur de diode idéale intégré qui pilote un deuxième MOSFET (le joint torique ORing) pour remplacer une diode SCHOTTKY pour une protection d’entrée inverse et un maintien de la tension de sortie.
Le régulateur STPM801 met en œuvre la chute de tension directe sur le MOSFET et minimise les transitoires de courant inverse en cas de défauts comme la défaillance de la source d'alimentation, la baisse de tension ou le court-circuit d'entrée. Le STPM801 prend en charge les applications qui doivent satisfaire les exigences de sécurité fonctionnelle telles que définies par le niveau d'intégrité de la sécurité automobile (ASIL) A-B-C-D, selon le TSR de l'application.
Le STPM801 est logé dans un boîtier VFQFN-32 compact de 5 mm x 5 mm, économisant de l'espace sur le circuit imprimé et réduisant le besoin de composants externes. Le dispositif fonctionne dans une large plage de tension d'alimentation de 4 V à 65 V, avec un faible courant de repos de 25 µA, assurant une résilience contre les risques électriques automobiles et minimisant l’épuisement de la batterie lorsque le véhicule est mis à l'arrêt.
Caractéristiques
- Homologué AEC-Q100
- Monocanal
- Large plage de tension d'entrée de 4 V à 65 V
- Protection d'entrée inverse -65 V
- Deux prépilotes MOSFET externes à canal N
- Fonction de démarrage progressif
- Une fonction de disjonction logique
- Courant de repos < 50 μA si WAKE bas
- Pompe de charge intégrée
- Protection contre les surtensions en entrée
- Protection contre les sous-tensions d'entrée
- Protection contre les surintensités en sortie
- Conforme aux exigences de test d'ondulation CA 16750 (de 50 Hz à 25 kHz)
- Démarrage progressif réglable grâce à un condensateur externe
- Développé selon la norme ISO 26262 pour prendre en charge l'application ASIL D
Applications
- Unités de contrôle électronique (ECU) zonales/de carrosserie
- ECU de conduite autonome
- Systèmes d'aide à la conduite (ADAS)
- ECU d’info-divertissement
- Systèmes d’alimentation redondants
- Configurations à double batterie.
Schéma fonctionnel
