STMicroelectronics Pilotes de vanne automobiles 4 canaux L9305
Les pilotes de vanne 4 canaux automobile L9305 de STMicroelectronics sont des CI pilote de solénoïdes, monolithiques et configurables, ils sont développés pour la gestion des solénoïdes linéaires dans les applications de transmission automatique, de contrôle de stabilité électronique et de suspension active. Le L9305 dispose de quatre canaux disposés comme des pilotes côté bas ou côté haut dans n'importe quel assortiment. Le dispositif dispose du transistor de puissance, du transistor de recirculation et de la détection de courant pour les transistors de puissance et de recirculation.L'architecture des pilotes STMicro L9305 assure la redondance de la mesure de courant pour chaque canal. Le courant régulé est programmable de 0 A à 1,5 A (plage normale), avec une résolution de 0,25 mA, ou de 0 A à 2 A (plage étendue), avec une résolution de 0,33 mA. L'utilisateur peut ajouter une modulation de dithering configurable sur le courant de point de consigne.
Caractéristiques
- Qualification AEC-Q100
- Pilotes indépendants à 4 canaux contrôlés par courant LSD/HSD
- Circuit intégré de détection de courant
- Précision du courant (dans la plage normale)
- ±5 mA sur la plage de 0 à 0,5 A
- ±1 % sur la plage de 0,5 A à 1,5 A
- Précision du courant (dans la plage étendue)
- ±15 mA sur la plage de 0 A à 0,3 A
- ±5 % sur la plage de 0,3 A à 0,5 A
- ±4 % sur la plage de 0,5 A à 2 A
- Résistance de pilote maximale RDSON de 375 mΩ à 175 °C
- Résolution du point de consigne du courant de 13 bits
- Contrôle du courant à fréquence variable et fixe
- Fonction de déphasage programmable
- Contrôle de la vitesse de balayage du pilote sélectionnable
- Caractéristiques de sécurité
- Pré-pilote de commutateur ENABLE côté haut à sécurité intégrée avec surveillance de VDS
- Voie ENABLE pour sécurité redondante
- Diagnostic et surveillance avancés à l'aide de BIST
- Capteur de température et surveillance
- Détection de courant redondante pour tous les canaux
- Mémoire de calibration et de configuration, y compris CRC
- Communications série sécurisées utilisant un retour d'adresse, un CRC à 5 bits, un compteur de trames et la détection de trames longues/courtes
- Vérification des registres
- Communications SPI à 32 bits avec vérification du message CRC à 5 bits
- Options de boîtier PWSSO36 et TQFP48
- Complètement conforme ISO26262, systèmes ASIL-D prêts
Applications
- Automobile
- Châssis et sécurité
- Suspension active
- Systèmes de freinage
- ABS
- Contrôle électronique de la stabilité (ESC)
- Châssis et sécurité
Schéma fonctionnel
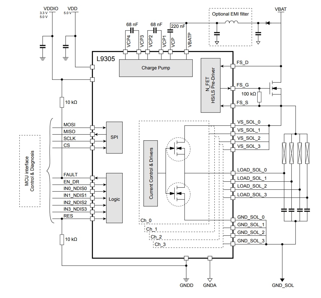
Schéma d'application PWSSO36
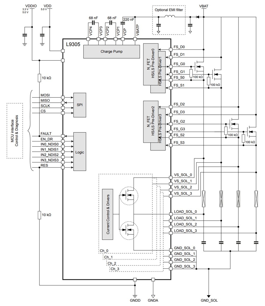
Schéma d'application TQFP48
Publié le: 2025-08-08
| Mis à jour le: 2025-08-19
