STMicroelectronics L9963E CI de surveillance et d'équilibrage de batteries d'accumulateurs
Le CI de surveillance et d'équilibrage de batterie Multicell L9963E STMicroelectronics est un CI de surveillance et de protection de batterie Li-ion pour les applications automobiles de haute fiabilité et les systèmes de stockage d'énergie. Jusqu'à 14 cellules de batteries empilées peuvent être surveillées pour répondre aux exigences des systèmes 48 V et à tension plus élevée. Chaque tension de cellule est mesurée avec une haute précision, ainsi que le courant pour le comptage coulomb sur puce. Le dispositif peut surveiller jusqu'à sept NTC. Les informations sont transmises via une communication SPI ou une interface isolée. Plusieurs L9963E peuvent être connectés dans une chaîne en guirlande et communiquer avec un processeur hôte via les interfaces isolées du transformateur, avec une transmission de données haut débit, faible EMI, longue distance et fiable.L'équilibrage passif avec sélection de canal programmable est proposé en mode normal et basse consommation (équilibrage silencieux). L'équilibrage peut être résilié automatiquement en fonction de l'interruption du minuteur interne. Neuf GPIO sont intégrés pour la surveillance et le contrôle externes. Le L9963E STMicroelectronics dispose d'un ensemble complet de fonctions de notification et de détection des défaillances pour satisfaire les exigences de la norme de sécurité.
Caractéristiques
- Homologué AEC-Q100
- Mesure 4 à 14 cellules en série, avec un délai de désynchronisation de 0 μs entre les échantillons
- Prend également en charge la connexion de barre omnibus sans altérer les résultats des cellules
- Compteur Coulomb avec détection de surintensité au niveau du boîtier, à la fois à l'allumage et à l'arrêt
- Échantillons de courant et de tension entièrement synchronisés
- Convertisseur de tension analogique-numérique de 16 bits avec une erreur maximale de ±2 mV dans l'intervalle [0,5 V à 4,3 V], après soudage, pour uneTj dans la plage [-40 °C à +105 °C]
- Communication en série 2,66 Mo/s isolée avec tampon de régénération, supportant un anneau d'accès double
- Temps de latence inférieur à 4 μs entre le début de la conversion du 1er et du 31e appareil au sein d'une chaîne
- Moins de 4 ms pour convertir et lire 96 cellules dans un système à l'aide de 8 émetteurs-récepteurs L9963E et L9963T
- Moins de 8 ms pour convertir et lire 210 cellules au sein d'un système utilisant 15 émetteurs-récepteurs L9963E et L9963T
- Moins de 16 ms pour convertir et lire 434 cellules dans un système utilisant 31 émetteurs-récepteurs L9963E et L9963T
- Prend en charge une isolation basée sur XFMR et CAP
- Courant d'équilibrage interne passif 200 mA pour chaque cellule en mode d'équilibrage normal et silencieux
- Possibilité d'exécuter des mesures de réveil cycliques
- Équilibrage manuel/temporisé, sur plusieurs canaux simultanément; équilibrage interne/externe
- Voie de mesure de cellule totalement redondante, avec permutation de convertisseur analogique-numérique, pour une sécurité améliorée et une fonctionnalité de mode dégradé
- Routine de diagnostic intelligent fournissant une validation automatique des défaillances
- Notification de défaillance redondante via SPI Global Status Word (GSW) et ligne de défaillance dédiée
- Deux régulateurs 5 V prenant en charge une connexion de charge externe avec une capacité de courant de 25 mA (VCOM) et 50 mA (VTREF)
- 9 GPIO, avec jusqu'à 7 entrées analogiques pour la détection NTC
- Performances de raccordement à chaud robustes. Pas besoin de Zener en parallèle à chaque cellule
- Pleinement compatible ISO26262, pré-configuré pour les systèmes ASIL-D
Applications
- Automobile
- Blocs-batteries 48 V et haute tension
- Systèmes de stockage d'énergie de secours et ASI
- Vélos électriques, trottinettes électriques
- Équipement portable et semi-portable
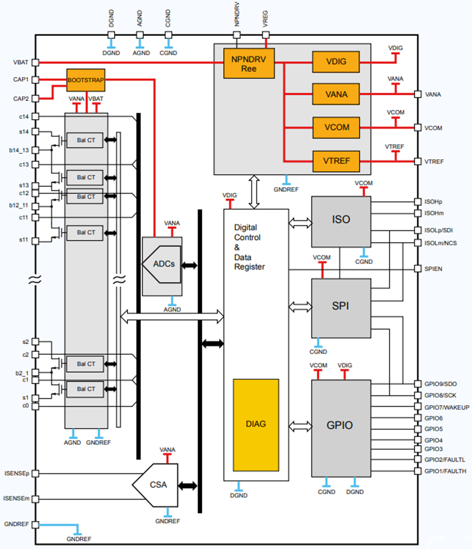
Schéma fonctionnel
Publié le: 2021-04-07
| Mis à jour le: 2025-06-19
