STMicroelectronics CI de commutateurs IPS1025H, IPS1025H-32 et IPS1025HF
Les CI de commutateurs IPS1025H IPS1025H-32 et IPS1025HF de STMicroelectronics sont des CI de commutateurs côté haut simples qui pilotent des charges capacitives, résistives ou inductives avec un côté connecté à la terre. Ces CI de commutateurs présentent une très faible résistance RDS-ON (≤25 mΩ jusqu’à TJ = 125 °C) ce qui les rend adaptés aux applications avec un courant de fonctionnement en régime permanent allant jusqu’à 2,4 A/5,6 A. Les CI de commutateurs IPS1025H, IPS1025H-32 et IPS1025HF offrent une protection contre la surchauffe des boîtiers et une protection contre la déconnexion à la terre, une protection contre les surtensions VCC et un verrouillage en cas de sous-tension. Ces CI de commutateurs offrent deux ensembles différents de seuils d’activation et de niveaux de limitation (IPKH, ILIMH et IPKL, ILIML) pour la conduite intelligente des charges capacitives. Les CI de commutateurs IPS1025H IPS1025H-32 et IPS1025HF sont utilisés dans le contrôle de logique programmable, les distributeurs automatiques, les machines de contrôle numériques et les applications d’entrée/sortie périphériques de PC industriels.Caractéristiques
- Plage de tension d’alimentation de fonctionnement de 8 V à 60 V
- Pilotage intelligent de charge capacitive
- Verrouillage de sous-tension
- Protection contre la surtension VCC
- Broche de diagnostic d'événements de surchauffe
- Démagnétisation rapide des charges inductives
- Protection contre la surcharge et la surchauffe
- Protection contre la surchauffe du boîtier
- Broche de diagnostic d'événements de surcharge
- Protection contre la déconnexion de la terre
- Conçu pour satisfaire les normes CEI 61000-4-2, CEI 61000-4-4 et CEI 61000-4-5
- Boîtier powerSSO-24
Applications
- Contrôleurs logiques programmables (PLC)
- Entrée/sortie de périphérique PC industriel
- Machines de contrôle numérique
- Commutateur côté haut général
- Distributeurs automatiques
Fiche technique
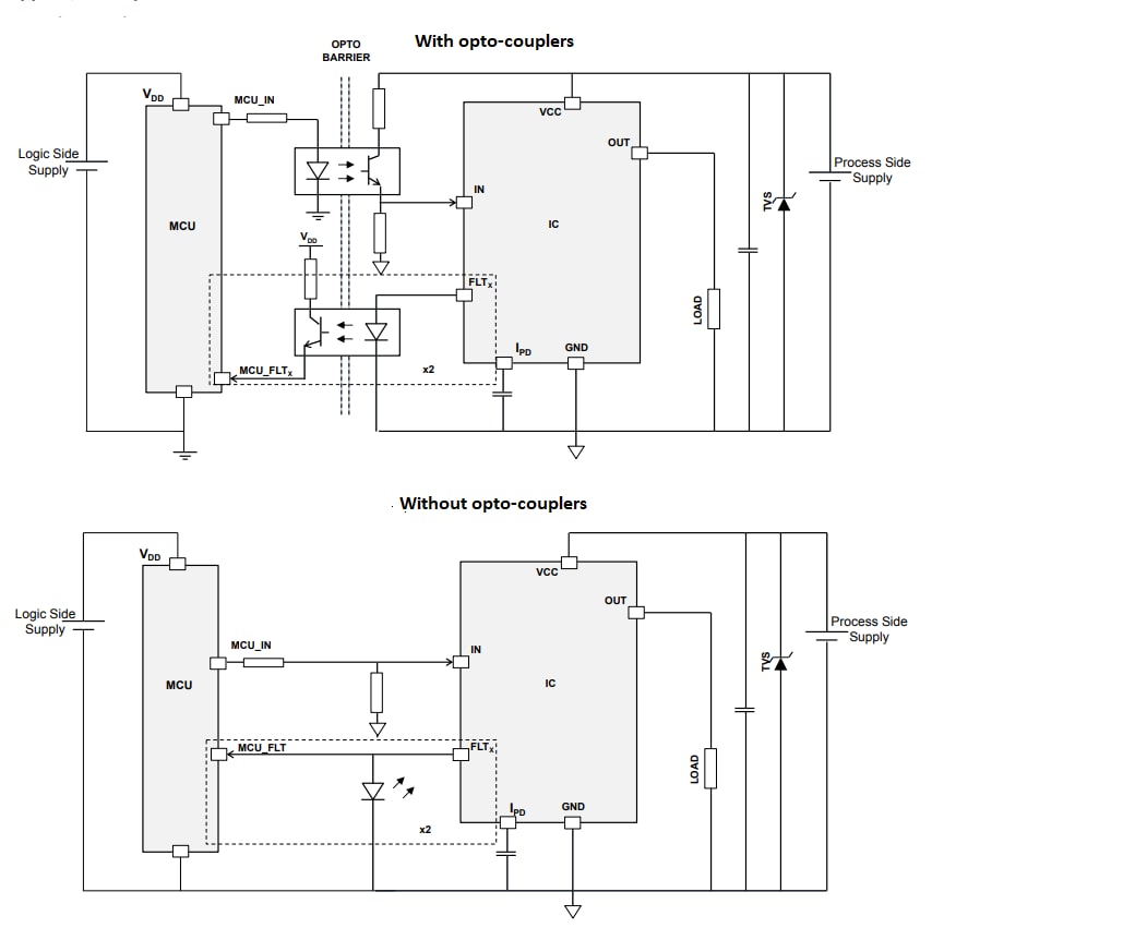
Schéma fonctionnel
Schéma d'application typique
Publié le: 2022-04-19
| Mis à jour le: 2025-04-07
