Toshiba Isolateurs numériques de canal double/quadruple DCLx et DCMx

Les isolateurs numériques de canal double/quadruple DCLx et DCMx de Toshiba sont des composants à isolation haute vitesse et haute puissance conçus à l'aide de la technologie CMOS avancée et des structures de couplage magnétique. Les isolateurs assurent une isolation robuste entre les côtés primaire et secondaire, offrant d'excellentes performances pour les applications de communication multicanaux à haut débit, telles que les interfaces SPI, l'automatisation industrielle et les systèmes automobiles.

Caractéristiques

  • Débit de données à haute vitesse
    • DCLx jusqu'à 150 Mbit/s
    • DCMx jusqu'à 50 Mbit/s
  • Plage de tension d'alimentation
    • DCLx de 2,25 V à 5,5 V
    • DCMx à 3,3 V ou 5 V
  • Tension d'isolement de 5 000 VRMS
  • Retard de propagation standard de 10,9 ns (DCLx à 5 V)
  • Configurations de sortie par défaut haute et basse
  • CMTI haut à ±100 kV/μs (DCLx)
  • Distorsion de largeur d'impulsion standard faible de 0,8 ns (DCLx)
  • Courant de sortie maximum de ±15 mA
  • Impédance de sortie standard de 50 Ω
  • Courant d'entrée de ±10 μA
  • Boîtier SOIC à corps large et 16 broches
  • Plages de température
    • Température ambiante de -40 °C à +110 °C
    • Jonction de -40 °C à +150 °C
  • Qualification automobile de la norme AEC-Q100 de grade 1 (série DCMx)

Applications

  • Systèmes d'automatisation industrielle
  • Contrôle de moteur
  • Alimentations de commutation
  • Contrôle de la batterie dans les équipements automobiles
  • Convertisseurs
  • Contrôle des piles à combustible dans les équipements automobiles
  • Applications pour véhicules électriques
  • Isolation de convertisseur de données (SPI, etc.)

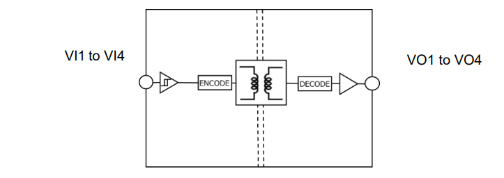
Schéma fonctionnel

Schéma de principe - Toshiba Isolateurs numériques de canal double/quadruple DCLx et DCMx
Graphique des performances - Toshiba Isolateurs numériques de canal double/quadruple DCLx et DCMx
View Results ( 10 ) Page
Numéro de pièce Fiche technique Courant d'alimentation de fonctionnement Canaux directs
DCM340C01(AS,EL) DCM340C01(AS,EL) Fiche technique 19.6 mA 4 Channel
DCM340D01(AS,EL) DCM340D01(AS,EL) Fiche technique 19.6 mA 4 Channel
DCM340H01(AS,EL) DCM340H01(AS,EL) Fiche technique 19.6 mA 4 Channel
DCM340L01(AS,EL) DCM340L01(AS,EL) Fiche technique 19.6 mA 4 Channel
DCM341A01(AS,EL) DCM341A01(AS,EL) Fiche technique 16.6 mA 3 Channel
DCM341B01(AS,EL) DCM341B01(AS,EL) Fiche technique 16.6 mA 3 Channel
DCM341H01(AS,EL) DCM341H01(AS,EL) Fiche technique 16.6 mA 3 Channel
DCM341L01(AS,EL) DCM341L01(AS,EL) Fiche technique 16.6 mA 3 Channel
DCM342H01(AS,EL) DCM342H01(AS,EL) Fiche technique 13.4 mA 2 Channel
DCM342L01(AS,EL) DCM342L01(AS,EL) Fiche technique 13.4 mA 2 Channel
Publié le: 2025-03-11 | Mis à jour le: 2026-01-06