ROHM Semiconductor LED multicolores traversantes SLI-570x/SLA-570x
Les LED multicolores traversantes SLI-570x/SLA-570x de ROHM Semiconductor offrent une haute luminosité dans une variété de couleurs. Le SLI-570x/SLA-570x dispose d'un angle de vision de 20 1/2 : 20° (série SLI-570) et 20 1/2 : 25° (série SLA-570). Les LED multicolores SLI-570x/SLA-570x fournissent une température de fonctionnement de -30 °C à +85 °C.Caractéristiques
- Angle de vision 20 1/2 : 20° (série SLI-570)
- Angle de vision 20 1/2 : 25° (série SLA-570)
- Haute luminosité
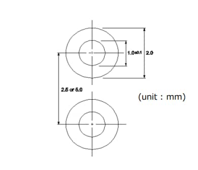
Dimensions
Motif de brasage recommandé
Publié le: 2022-07-08
| Mis à jour le: 2022-07-11
