Qorvo Amplificateur RF à bruit ultra-faible CMD320C3

L'amplificateur RF à bruit ultra-faible CMD320C3 de Qorvo est un amplificateur RF à faible bruit à circuit intégré monolithique hyperfréquence (MMIC) à large bande logé dans un boîtier monté en surface de 3 mm x 3 mm sans plomb. Cet amplificateur RF est idéal pour les systèmes de guerre électronique (EW) et de communication où un petit BLUETOOTH  et une faible consommation d'énergie sont nécessaires. Le dispositif CMD320C3 de Qorvo est optimisé pour une performance à large bande et fournit un gain de 18 dB avec un facteur de bruit correspondant de 1,07 dB à 12 GHz. L'amplificateur CMD320C3 est une conception adaptée à 50Ω qui élimine le besoin de blocs CC externes et d'adaptation de port RF.

Caractéristiques

  • Facteur de bruit ultra-faible
  • Performances de gain élevées dans les transmissions à large bande
  • Faible dissipation d'énergie
  • Sans plomb, conforme à la directive RoHS
  • Boîtier QFN 3 mm x 3 mm

Caractéristiques techniques

  • Plage de fréquence : de 10,7 GHz à 12,7 GHz
  • Gain : 18 dB
  • Facteur de bruit : 1,07 dB
  • Courant d'alimentation : 32 mA
  • Tension de drain : 5,5 Vdd
  • Tension de grille : 3,3 Vgg
  • Puissance dissipée : 921 mW
  • Résistance thermique : 70 °C/W
  • Plage de température de fonctionnement de -40 °C à +85 °C

Schéma fonctionnel

Schéma de principe - Qorvo Amplificateur RF à bruit ultra-faible CMD320C3

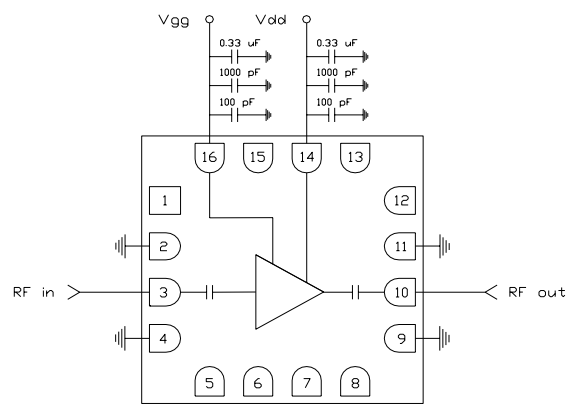
Circuit d'application

Schéma du circuit d'application - Qorvo Amplificateur RF à bruit ultra-faible CMD320C3

Applications

  • Équipement radar
    • Bande X
    • Bande Ku
  • GE
  • Espace
  • Communications satellitaires
  • Antennes en réseau à commande de phase
Publié le: 2020-05-22 | Mis à jour le: 2024-08-22