onsemi SMSxC 5-Line ESD Protection Diode Arrays
onsemi SMSxC 5-Line ESD Protection Diode Arrays are designed to safeguard high-speed data lines from electrostatic discharge (ESD) damage in sensitive electronic systems. These arrays feature a monolithic common anode design, which protects five independent lines in a single TSOP-6 package, providing robust interface protection without compromising signal integrity. With a fast response time and compliance with IEC 61000-4-2 Level 4 standards, the onsemi SMSxC arrays are ideal for use in computers, printers, automotive electronics, networking communication, and more. The integrated design simplifies PCB layout and enhances reliability in space-constrained applications.
Features
- Protects up to 5x lines in a single TSOP-6 package
- 350W peak power dissipation (8x20µs waveform)
- ESD ratings
- Class 3B (exceeding 8.0kV) per Human Body Model
- Class C (exceeding 400V) per Machine Model
- Compliance with IEC 61000-4-2 (ESD)
- 15kV air
- 8.0kV contact
- UL 94V-0 flammability rating
- SZ prefix variant for automotive and other applications requiring unique site/control change requirements, AEC-Q101 qualified and PPAP capable
- Lead-free
Applications
- Hand-held portable applications
- Networking and telecom
- Automotive electronics
- Serial and parallel ports
- Notebooks, desktops, and servers
Specifications
- -40°C to +150°C operating junction temperature range
- +260°C maximum lead solder temperature for 10s
- SMS05C
- 5.0V maximum reverse working voltage
- 6.2V to 7.2V breakdown voltage range
- 5.0µA maximum reverse leakage current
- 9.8V to 14.5V maximum clamping voltage range
- 24A maximum peak pulse current
- 400pF maximum capacitance, 260pF typical
- SMS12C
- 12V maximum reverse working voltage
- 13.3V to 15V breakdown voltage range
- 1.0µA maximum reverse leakage current, 0.001µA typical
- 19V to 23V maximum clamping voltage range
- 15A maximum peak pulse current
- 150pF maximum capacitance, 120pF typical
- SMS15C
- 15V maximum reverse working voltage
- 17V to 19V breakdown voltage range
- 1.0µA maximum reverse leakage current, 0.05µA typical
- 24V to 29V maximum clamping voltage range
- 12A maximum peak pulse current
- 125pF maximum capacitance, 95pF typical
- SZ/SMS24C
- 24V maximum reverse working voltage
- 26.7V to 32V breakdown voltage range
- 1.0µA maximum reverse leakage current, 0.001µA typical
- 40V to 44V maximum clamping voltage range
- 8.0A maximum peak pulse current
- 75pF maximum capacitance, 60pF typical
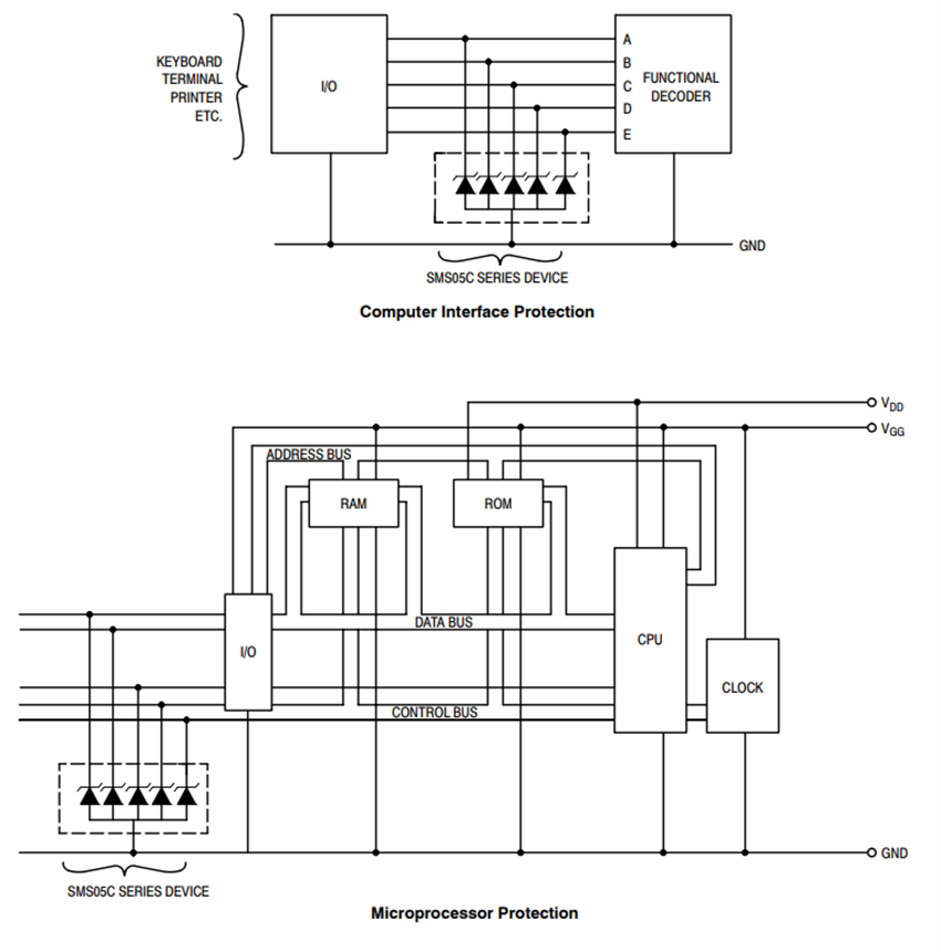
TYPICAL COMMON ANODE APPLICATIONS
Publié le: 2025-08-08
| Mis à jour le: 2025-08-08
