onsemi Module de puissance intelligent (IPM) NFAQ0560R43T
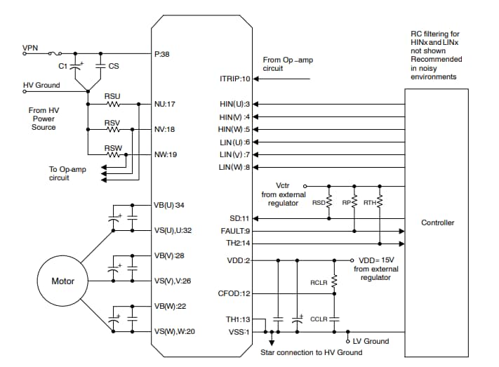
Le module de puissance intelligent (IPM) NFAQ0560R43T d'onsemi est un étage de puissance inverseur entièrement intégré constitué d'un pilote à haute tension et d'une thermistance. Ce module de puissance est constitué de six IGBT (technologie IGBT RC FS4) adaptés au pilotage de moteurs synchrones à aimants permanents (PMSM), de moteurs CC brushless (BLDC) et de moteurs asynchrones CA. Les IGBT du module de puissance sont configurés en un pont triphasé avec des connexions d'émetteur séparées pour les pattes inférieures pour une flexibilité maximale. Ce module de puissance dispose de fonctions de protection pour l'étage de puissance qui inclut une protection de conduction croisée, un arrêt externe et des fonctions de verrouillage de sous-tension. Le module de puissance NFAQ0560R43T offre des diodes et des résistances d'amorçage intégrées, une thermistance pour la mesure de la température du substrat et une broche d'arrêt. Ce module de puissance offre 450 V de tension d'alimentation, 600 V de tension collecteur-émetteur et une plage de température de stockage de −40 °C à 125 °C. Le module de puissance NFAQ0560R43T est idéal pour les pompes industrielles, les ventilateurs industriels, l'automatisation industrielle et les appareils électroménagers.Caractéristiques
- Module IGBT triphasé 5 A/600 V avec pilotes intégrés
- Boîtier en ligne double compact de 29,6 mm x 18,2 mm
- Protection contre les sous-tensions intégrée
- Protection de conduction croisée
- Entrée ITRIP pour arrêter tous les IGBT
- Diodes et résistances d'amorçage intégrées
- Thermistance pour la mesure de la température du substrat
- Broche d'arrêt
- Certification UL1557
Caractéristiques techniques
- Tension d'alimentation : 450 V
- Tension collecteur-émetteur : 600 V
- Plage de température de jonction de fonctionnement : jusqu'à +150 °C
- Plage de température de stockage : de -40 ºC à 125 ºC
Applications
- Pompes industrielles
- Ventilateurs industriels
- Automatisation industrielle
- Appareils électroménagers
Schéma fonctionnel
Diagramme schématique
Publié le: 2022-04-07
| Mis à jour le: 2022-04-12
