onsemi Pilotes de grilles isolés à IGBT et à canal double NCx575x0
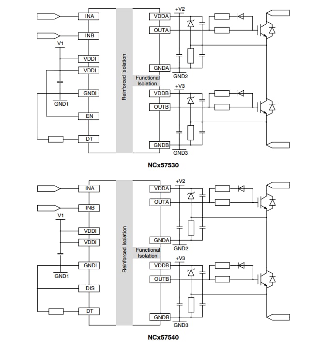
Les pilotes de grilles isolés à IGBT et à canal double onsemi NCx575x0 présentent un isolement galvanique interne sous 5 kVefficaces de l'entrée à chaque sortie et un isolement fonctionnel entre les deux canaux de sortie. Le NCx575x0 atteint les niveaux de 3,3 à 20 V de tension de polarisation et des niveaux de signaux du côté entrée et jusqu'à 32 V de tension de polarisation du côté sortie.Les pilotes de grille double canal isolés NCx575x0 onsemi permettent des entrées complémentaires et fournissent des broches séparées pour la désactivation (NCx57540), l’activation (NCx57530) et le contrôle du temps mort pour faciliter la conception du système.
Les pilotes NCx575x0 sont logés dans un boîtier à corps large 752AJ SOIC-16 avec une isolation accrue entre les canaux.
Caractéristiques
- Courant de sortie de crête élevé (±6,5 A, ±3,5 A)
- Configurable en tant que pilote double côté bas, double côté haut ou demi-pont
- Seuils UVLO élevés pour toutes les alimentations électriques
- 2,5 kVefficaces ou 5 kVefficaces Isolement galvanique de l'entrée à chaque sortie et 1,5 kVefficaces différentiel de tension entre canaux de sortie
- Délais de propagation courts avec correspondance précise
- Entrée logique de 3,3 V, 5 V et 15 V
- Chevauchement programmable ou contrôle de temps mort
- Broche de désactivation/activation pour désactiver les sorties pour le séquencement de l'alimentation
- Verrouillage de la grille IGBT en cas de court-circuit
Applications
- Automobile
- Industriel
- Chargeurs de véhicules électriques
- Alimentations sans interruption (ASI)
- Alimentations électriques industrielles
- Onduleurs solaires
Schéma fonctionnel simplifié du NCx57530
Schéma fonctionnel simplifié du NCx57540
Application standard avec temps mort
Application standard sans temps mort
Publié le: 2022-11-14
| Mis à jour le: 2024-05-29
