onsemi Pilote de grille double canal isolé NCV51561
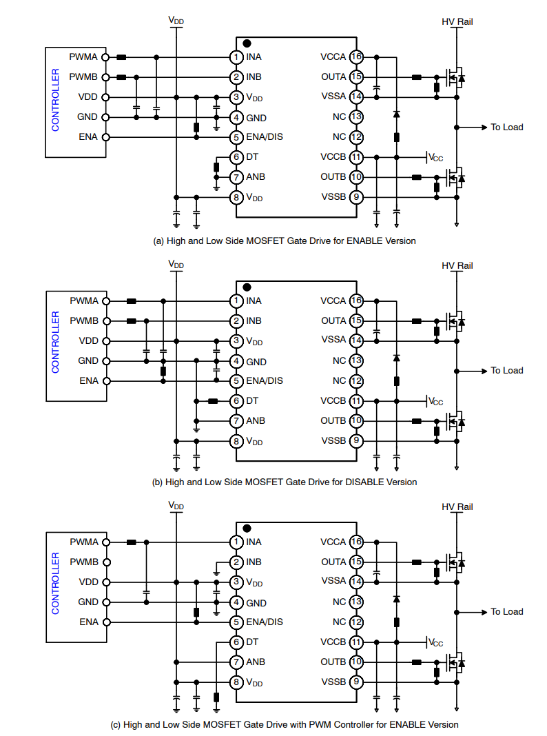
Le pilote de grille à double canal isolé NCV51561 d'onsemi dispose d'une source de 4,5 A et d'un courant de crête de dissipation de 9 A avec des délais de propagation courts et assortis. Le NCV51561 est conçu pour une commutation rapide pour piloter des MOSFET de puissance et des commutateurs d'alimentation MOSFET SiC.Le pilote de grille à double canal isolé NCV51561 d'onsemi dispose d'une tension de fonctionnement pouvant atteindre 1 500 VCC fournie par deux canaux de commande de grille à isolation galvanique de 5 kVRMS. Ces canaux permettent de nombreuses configurations de deux commutateurs côté bas, deux commutateurs côté haut ou un pilote à demi-pont avec temps mort programmable.
Le NCV51561 fournit d'autres fonctions de protection importantes telles que le verrouillage de sous-tension indépendant pour les commandes de grille et une fonction de réglage du temps mort.
Caractéristiques
- Capacité de courant de sortie de dissipation de crête 4,5 A, source de crête 9 A
- Pilote de porte flexible à double côté bas, à double côté haut ou en demi-pont
- Protections UVLO indépendantes pour les deux pilotes de sortie
- Tension d'alimentation en sortie de 6,5 V à 30 V avec 5 V et 8 V pour MOSFET, UVLO 13 V et 1 V pour SiC, seuils
- Immunité transitoire de mode commun CMTI > 200 V/ns
- Délai de propagation standard de 36 ns avec
- 5 ns de correspondance de délai maximale par canal
- 5 ns de distorsion de largeur d'impulsion maximale
- Logique d'entrée programmable par l'utilisateur
- Modes à entrée simple ou double via ANB
- Mode ACTIF ou INACTIF
- Temps mort programmable par l'utilisateur
- Homologué AEC−Q100 pour les exigences des applications automobiles
- Isolement et sécurité
- Isolation 5 kVefficaces pendant 1 minute (selon les exigences UL1577) et tension différentielle de crête 1 500 V entre canaux de sortie
- Tension renforcée d’isolement 8 000 VPK (selon les exigences VDE0884-11)
- Certification CQC selon GB4943.1−2011
- Certification SGS FIMO selon CEI 62386−1
- Dispositifs sans plomb
Applications
- Chargeurs embarqués
- Convertisseurs CC-CC xEV
- Onduleurs de traction
- Stations de chargement
Vidéos
Infographie
Circuits d’application standard
Publié le: 2022-08-22
| Mis à jour le: 2024-05-16
