onsemi Contrôleurs de redressement synchrone NCP4318
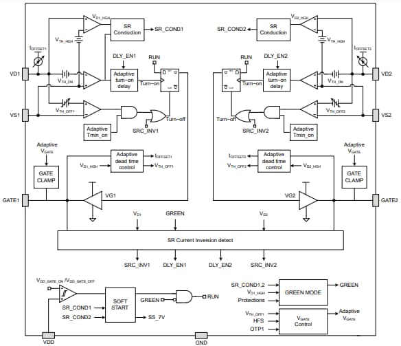
Les contrôleurs de redressement synchrone NCP4318 onsemi sont conçus pour les convertisseurs résonants LLC avec un minimum de composants externes. Les contrôleurs disposent d'un étage de commande à deux portes pour piloter les MOSFET RS qui redressent les sorties des enroulements du transformateur secondaire. Les deux étages de commande de grille disposent de leurs propres entrées de détection de Drain et de Source et fonctionnent indépendamment les uns des autres. Le contrôle adaptatif avancé du temps mort compense une tension sur l'inductance parasite pour minimiser la conduction de la diode du corps et maximiser le rendement du système. L'algorithme de contrôle d'arrêt avancé permet un fonctionnement du RS stable sur l'ensemble de la plage de charge. Le NCP4318 dispose de deux versions d'attribution de broches, NCP4318AXX, NCP4318BXX.Caractéristiques
- Contrôle d'arrêt du RS en mode mixte
- Contrôle anti courts-circuits pour un fonctionnement fiable du RS
- Broches de détection nominales séparées de 200 V pour le drain et broches de détection de source dédiées
- Contrôle adaptatif avancé des temps morts
- Détection d'inversion de courant du RS
- Temps d'allumage minimal adaptatif pour l'immunité au bruit
- Limitation du taux d'augmentation du temps de conduction du RS
- Tension de seuil d’arrêt à niveaux multiples
- Contrôle adaptatif de la tension de grille (10 V, 6 V)
- Faible courant de fonctionnement (100 A) en mode écologique
- Démarrage progressif pour le cycle de commutation 512 avec tension de sortie de grille 0 V/6 V
- Délai d’allumage et d’arrêt très rapide (30 ns/30 ns)
- Courant de dissipation et de source de grille élevé (1,5 A/4,5 A)
- Large plage de tension d'alimentation de fonctionnement de 6,5 V à 35 V
- Large plage de fréquence de fonctionnement (22 kHz à 500 kHz)
- Boîtier SOIC-8
- Ces dispositifs sont sans plomb et conformes à la directive RoHS
Applications
- Adaptateurs à densité de puissance élevée
- Alimentations de télévision LED et de télévision OLED à grand écran
- Alimentations pour ordinateur de bureau et serveur à haut rendement
- Alimentations pour réseau et télécoms
- Éclairage LED à haute puissance
Schéma fonctionnel
Publié le: 2021-03-23
| Mis à jour le: 2026-04-07
