onsemi Caméra intelligente SECO-RSL10-CAM-GEVB RSL10
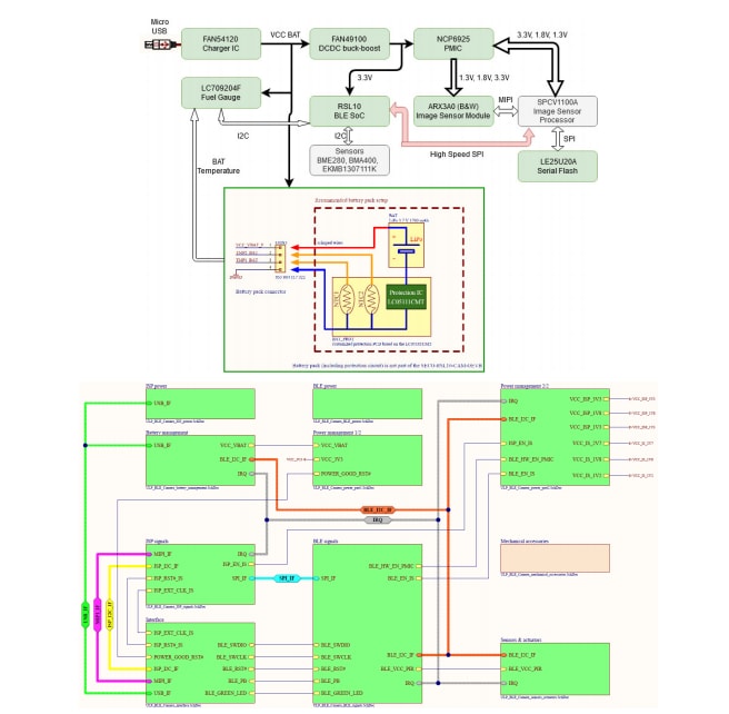
La caméra intelligente onsemi SECO-RSL10-CAM-GEVB RSL10 est une plate-forme nœud-vers-nuage complète qui permet la capture d'images intelligente pour un large éventail d'applications.Ce capteur d'images CMOS RSL10 SIP et ARX3A0 dispose de plusieurs modes de déclenchement, notamment la durée, la détection de mouvement et les déclencheurs de capteurs environnementaux. Le SIP RSL10 sert de concentrateur de traitement de la caméra, permettant une connectivité BLUETOOTH® à faible consommation des images capturées et des données de capteur à l'application mobile. Cette application permet aux développeurs d'accéder à une variété de fonctionnalités, notamment la connectivité au cloud, la configuration à distance des capteurs et les modifications des modes de déclenchement de capture d'image.Cette plate-forme dispose du module ARX3A0 Mono 65 ° DFOV IAS, un format compact pour concevoir des appareils photo compacts. La caméra offre une imagerie mono de 360 fps basée sur un capteur d'image CMOS ARX3A0. Le fonctionnement à faible puissance du SIP RSL10 et de l'ARX3A0 est complété par un CI de gestion d'alimentation (PMIC) NCP6925 dédié et des modes de gestion intelligente de l'alimentation. Cet appareil photo intelligent est un dispositif portable caractérisé par une consommation d'énergie ultra-faible sans précédent, une autonomie de batterie de plus d'un an et de multiples options d'alimentation. Les applications standard comprennent la surveillance des actifs, la sécurité, l'agriculture intelligente et la surveillance basée sur des critères.
Caractéristiques
- Prend en charge plusieurs modes de déclenchement de capture d'image :
- Périodique (intervalles de 1 seconde à 1 minute)
- Flux vidéo continu avec moins de 1 image/s en mode BLE5.0 et au-delà sur les appareils mobiles compatibles
- Détection de proximité
- Déclenchement sur accélération
- Déclenchement sur changement d'environnement
- Connectivité Bluetooth basse consommation (Bluetooth 5) activée par le SIP RSL10 :
- Mises à jour du micrologiciel par liaison radio (FOTA)
- Consommation électrique ultra-faible sans précédent (modes veille et actif ) pour une autonomie de batterie supérieure à 1 an
- Plusieurs options d'alimentation (USB ou batteries Li-ion rechargeables)
- Dispositif portable
- Petit format (55 mm x 65 mm) :
- Imagerie avancée à 360 fps fournie par le module ARX3A0 Mono 65 ° DFOV IAS
- Haute sensibilité aux longueurs d'onde visibles et proches de l'infrarouge
- Très faible consommation (3,2 mW)
- Capteur 1/10 pour module super compact
- Mode exposition automatique activée pendant le traitement de l'image
- Application mobile pour camera intelligente RSL10 (GooglePlay™) (iOS®) :
- Connectivité au cloud sur amazon web services (Amazon Rekognition)
- Moteur d'analyse d'image/IA permettant de détecter et d'identifier les objets contenus dans une image
- Fonctions de déclenchement multiples pour différents cas d'utilisation
Applications
- Vidéosurveillance des biens
- Sécurité
- Agriculture intelligente
- Vidéosurveillance sur la base de critères prédéfinis
Vidéos
Ressources supplémentaires
Architecture de système de la caméra intelligente RSL10
